Betriebsferien vom 23.12.2023 - 02.01.2024. Bestellungen werden erst ab dem 03.01.2024 ausgeliefert.

Buderus Sole Wärmepumpe Logaplus WSW196i.2-12 T180 MX400 7739619541 Paket

Art.Nr.:
163890942
Herst.Nr.:
7739619541
EAN: 4062321400316
Lieferzeit:

ca. 2-3 Wochen

EEK: a++
Versandkostenfrei

13.579,56 €*

inkl. 19% MwSt. zzgl. 0.00 € Versand

Produktinformationen "Buderus Sole Wärmepumpe Logaplus WSW196i.2-12 T180 MX400 7739619541 Paket"

Buderus Logaplus WSW196i T1 WSW196i.2-12, T180, MX400

Herstellerteilenummer: 7739619541

Lieferumfang:

  • Logatherm WSW196i.2-12 T180
  • Sole Großentlüfter DN32
  • Solebefülleinrichtung DN25
  • Solepaket 6-17 kW
  • Ausdehnungsgefäß BU-H 50 l, silber
  • Logafix Kappenventil MS 3/4x3/4
  • Kesselsicherheitsgruppe 1", Manometer
  • Bedieneinheit RC220
  • LAN- und Funkmodul MX400 und Halter

Beschreibung:

Sole/Wasser-Wärmepumpe für die Innenauf- stellung mit integriertem 180 L Edel- stahl-Warmwasserspeicher. Hocheffiziente Invertersteuerung für modulierende Betriebsweise. Besonders leise Wärmepumpe, Aufstellung auch im Hauswirtschaftsraum möglich. Hochwertiges Design der Verkleidung mit Front in schwarzem Titanium Design. - Inkl. Absperrarmatur mit Partikelfilter und Magnetitanzeige für die Heizungsanlage - Inkl. Außentemperatur- und Vorlauffühler - Inkl. LAN- und Funkmodul MX400 und Halter - Inkl. Internetschnittstelle - Inkl. integrierter, hocheffizienter Heizkreispumpe mit EEI < 0,20 - Inkl. integrierter, hocheffizienter Solepumpe mit EEI < 0,20 - Inkl. integriertem 9 kW E-Heizstab - Mit integrierter Wärmemengen- und Stromzählung - Passive Kühlstation für Raumkühlung optional erhältlich - Für einfachen Transport und Einbringung Teilung von Hydraulik- und Kältemodul innerhalb weniger Minuten möglich. Kältekreis zum vereinfachten Serviceeinsatz auf Schlitten herausziehbar.

Einfache Bedienung über EMS plus Regelsystem mit Touchscreen BC400. Regelungsfunktionen: - 1 ungemischter Heizkreis regelbar. Für gemischte Heizkreise sind Zubehöre erforderlich - Warmwasserbetrieb mittels integriertem Umschaltventil und integriertem Warm- wasserspeicher - Funktionserweiterung über optionale Reglermodule möglich (Schwimmbad, Solar, etc.) - SG Ready: smart-grid-fähige Wärmepumpe ist für die Einbindung in ein intelligentes Stromnetz bzw. PV-Anlage vorbereitet

Technische Daten:

  • Masse und Gewichte:
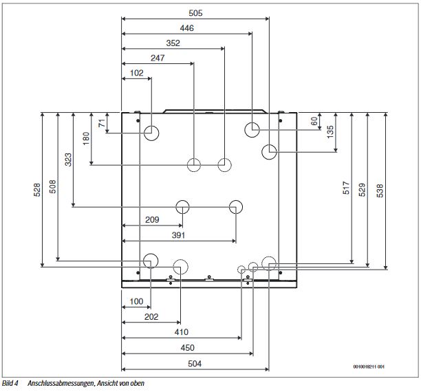
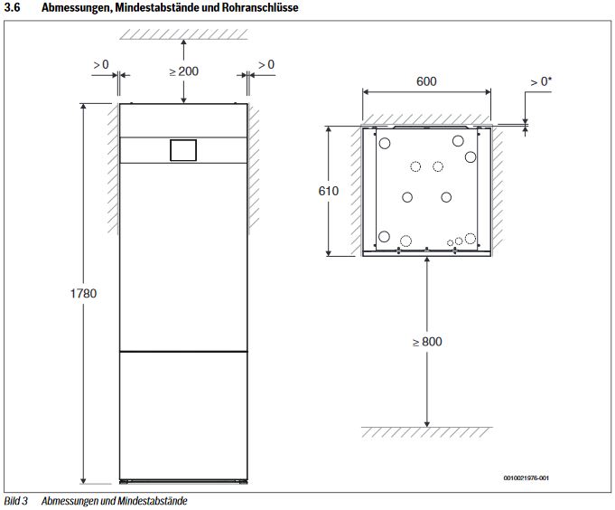
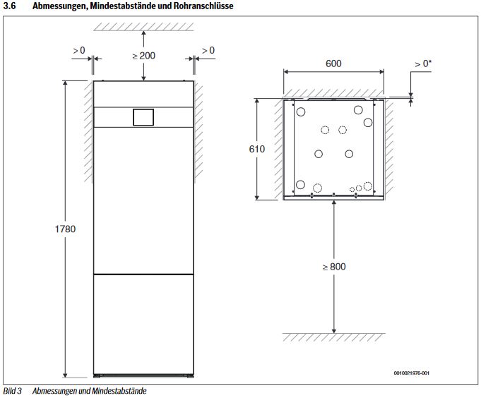
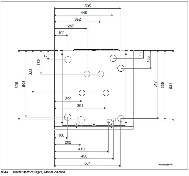
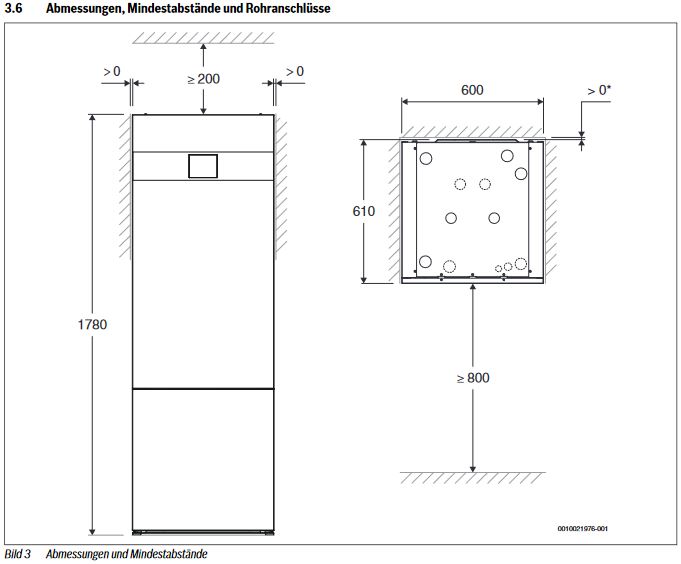
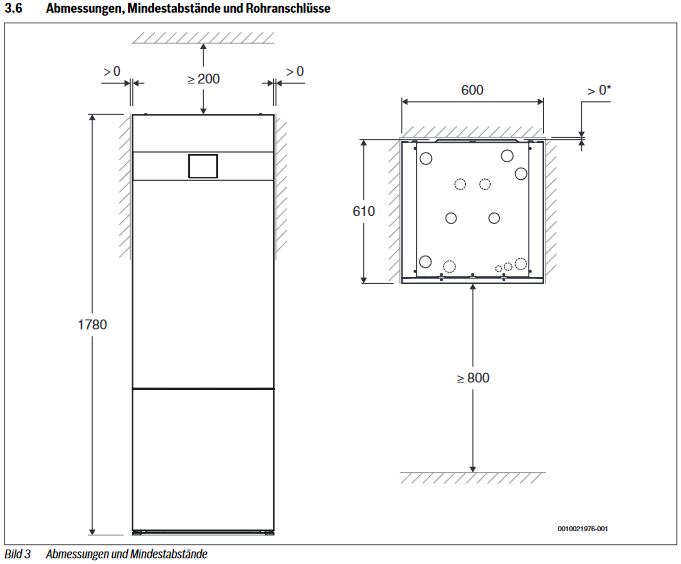
    Wärmepumpe HxBxT: 1780x600x610 mm
    Gesamtgewicht mit Verkleidung: 246 kg
    Gesamtgewicht ohne Verkleidung: 218 kg
    Gewicht Hydraulikmodul ohne Ver-
    kleidung: 95 kg
    Gewicht Kältekreismodul: 121 kg
    -
    Schalldaten:
    Max. Schalldruckpegel bei B0/W55 C
    nach DIN EN ISO 11203
    in 1m Abstand: 36 dB(A)
    Schallleistungspegel bei B0/W55 C
    min.-max.: 37-49 dB(A)
    -
    Leistungsdaten:
    Modulationsbereich bei B0/W35 C
    nach EN 14511: 3-12 kW
    COP bei B0/W35, nach EN 14511
    bei Teillast: 4,75
    Entzugsleistung bei B0/W35, nach
    EN 14511 bei Teillast: 4,88 kW

    Elektrische Leistungsaufnahme bei
    B0/W35, nach EN 14511 bei
    Teillast: 1,30 kW
    SCOP bei durchschnittlichen Klimaver-
    hältnissen bei 55 C: 4,17
    SCOP bei durchschnittlichen Klimaver-
    hältnissen bei 35 C: 5,55
    -
    Warmwasserbetrieb:
    Speicherinhalt (exkl. Wärme-
    tauscher): 180 l
    Minimal/maximal erlaubter Betriebs-
    druck: 2,0/10,0 bar
    Warmwasser-COP nach EN-16147(2017) bei
    ECO+ Einstellung: 3,11
    Warmwasserbereitungs-
    Energieeffizienzklasse bei ECO+
    Einstellung: A+
    Zapfprofil/Zapfmenge V40
    bei ECO+ Einstellung: XL/206 l
    Warmwasserbereitungs-
    Energieeffizienzklasse bei ECO
    Einstellung: A
    Zapfprofil/Zapfmenge V40
    bei ECO Einstellung: XXL/269 l
    Warmwasserbereitungs-
    Energieeffizienzklasse bei KOMFORT
    Einstellung: A
    Zapfprofil/Zapfmenge V40
    bei KOMFORT Einstellung: XXL/298 l
    -
    Heizungssystem:
    Minimal/maximal erlaubter Betriebs-
    druck: 1,2/3,0 bar
    Nenndurchfluss bei Fußboden-
    heizung: 2,12 m3/h
    Restförderhöhe bei Nenndurchfluss bei
    Fußbodenheizung: 3,8 m
    Nenndurchfluss bei Radiatoren-
    heizung: 1,19 m3/h
    Restförderhöhe bei Nenndurchfluss bei
    Radiatorenheizung: 6,4 m
    Max. Vorlauftemperatur bei B0 C: 71 C
    Max. Vorlauftemperatur bei B-3 C: 71 C
    Anschluss Heizkreis: CU 28 mm
    -
    Solekreis
    Minimal/maximal erlaubter Betriebs-
    druck: 0,5/3,0 bar
    Mischanteil Ethanol,
    min./max.: 25/34 %vol.
    Mischanteil Ethylenglykol,
    min./max.: 30/35 %vol.
    Sole-Eintrittstemperatur
    min./max.: -5/30 C
    Anschluss Solekreis: Edelstahl 28 mm
    -
    Elektrodaten:
    Spannungsversorgung: 400V, 3N, 50 Hz
    Max. Kompressor-Betriebsstrom: 8 A
    Max. Betriebsstrom inkl. Elektro-
    Zuheizer 9 kW: 23 A
    Absicherung mit Elektro-Zuheizer
    3/6/9 kW: 16/20/25 A
    IP-Schutzklasse: X1

Installation:

  • Für die Installation dieses Gerätes ist ein 400V Starkstromanschluss (Drei-Phasen-Wechselanschluss) notwendig, die Montage (Wasser und Elektroinstallation) sowie die Erstinbetriebnahme und die Wartung dieses Gerätes dürfen nur von einer Elektrofachkraft in Übereinstimmung mit den gültigen Vorschriften sowie entsprechend dieser Anweisung ausgeführt werden!
WEEE-Reg.-Nr.: DE 69542401

Allg. Sicherheitshinweise:

Zur Vermeidung von Körper- und Gesundheitsschäden sind die Montage, Erstinbetriebnahme, Inspektion, Wartung und Instandsetzung von autorisierten Fachkräften (Heizungs- / Sanitärfachbetrieb / Vertragsinstallationsunternehmen) vorzunehmen!

Bestimmungsgemäße Verwendung: Bitte beachten Sie die bei Installation und Montage beiliegende Installations-, Betriebs- und Wartungsanleitungen sowie Produkt-/Systemzulassungen aller Anlagenkomponenten. Bei Wärmeerzeugern ist es zum Beispiel regelmäßig der Fall, dass allein für diese Heizung zugelassene Abgastechnik zur Verwendung gelangen darf. Zur bestimmungsgemäßen Verwendung gehört gleichsam die Einhaltung der ebenfalls in o.g. Unterlagen enthaltenen Inspektions- und Wartungsbedingungen.

Elektrische Heizgeräte sowie Durchlauferhitzer mit Starkstromanschluß (400V) dürfen nur durch jeweiligen Netzbetreiber oder durch ein in das Installateurverzeichnis des Netzbetreibers eingetragenes Installationsunternehmen installiert werden!

Elektrogeräte mit Drei-Phasen-Wechselstrom-Anschluss (3~/400V) und "nicht-steckerfertigen Geräten" sind von einem Fachbetrieb zu installieren. Geräte mit einer Nennleistung von mehr als 12 kW müssen vor der Erstinstallation eine Zustimmung vom Netzbetrieber erhalten.

Installation, Inspektion, Wartung und Instandsetzung von Gasgeräten sowie Gaseinstellungen darf nur ein Fachhandwerker durchführen!

Herstellerinformationen

Bosch Thermotechnik GmbH
Sophienstraße 30-32
35576 Wetzlar
DE

Tel: 06441 418-0
E-Mail: info@buderus.de
Art.Nr.:
163890942
Herst.Nr.:
7739619541
EAN: 4062321400316
Lieferzeit:

ca. 2-3 Wochen

EEK: a++
Versandkostenfrei

13.579,56 €*

inkl. 19% MwSt. zzgl. 0.00 € Versand

Produktinformationen "Buderus Sole Wärmepumpe Logaplus WSW196i.2-12 T180 MX400 7739619541 Paket"

Buderus Logaplus WSW196i T1 WSW196i.2-12, T180, MX400

Herstellerteilenummer: 7739619541

Lieferumfang:

  • Logatherm WSW196i.2-12 T180
  • Sole Großentlüfter DN32
  • Solebefülleinrichtung DN25
  • Solepaket 6-17 kW
  • Ausdehnungsgefäß BU-H 50 l, silber
  • Logafix Kappenventil MS 3/4x3/4
  • Kesselsicherheitsgruppe 1", Manometer
  • Bedieneinheit RC220
  • LAN- und Funkmodul MX400 und Halter

Beschreibung:

Sole/Wasser-Wärmepumpe für die Innenauf- stellung mit integriertem 180 L Edel- stahl-Warmwasserspeicher. Hocheffiziente Invertersteuerung für modulierende Betriebsweise. Besonders leise Wärmepumpe, Aufstellung auch im Hauswirtschaftsraum möglich. Hochwertiges Design der Verkleidung mit Front in schwarzem Titanium Design. - Inkl. Absperrarmatur mit Partikelfilter und Magnetitanzeige für die Heizungsanlage - Inkl. Außentemperatur- und Vorlauffühler - Inkl. LAN- und Funkmodul MX400 und Halter - Inkl. Internetschnittstelle - Inkl. integrierter, hocheffizienter Heizkreispumpe mit EEI < 0,20 - Inkl. integrierter, hocheffizienter Solepumpe mit EEI < 0,20 - Inkl. integriertem 9 kW E-Heizstab - Mit integrierter Wärmemengen- und Stromzählung - Passive Kühlstation für Raumkühlung optional erhältlich - Für einfachen Transport und Einbringung Teilung von Hydraulik- und Kältemodul innerhalb weniger Minuten möglich. Kältekreis zum vereinfachten Serviceeinsatz auf Schlitten herausziehbar.

Einfache Bedienung über EMS plus Regelsystem mit Touchscreen BC400. Regelungsfunktionen: - 1 ungemischter Heizkreis regelbar. Für gemischte Heizkreise sind Zubehöre erforderlich - Warmwasserbetrieb mittels integriertem Umschaltventil und integriertem Warm- wasserspeicher - Funktionserweiterung über optionale Reglermodule möglich (Schwimmbad, Solar, etc.) - SG Ready: smart-grid-fähige Wärmepumpe ist für die Einbindung in ein intelligentes Stromnetz bzw. PV-Anlage vorbereitet

Technische Daten:

  • Masse und Gewichte:
    Wärmepumpe HxBxT: 1780x600x610 mm
    Gesamtgewicht mit Verkleidung: 246 kg
    Gesamtgewicht ohne Verkleidung: 218 kg
    Gewicht Hydraulikmodul ohne Ver-
    kleidung: 95 kg
    Gewicht Kältekreismodul: 121 kg
    -
    Schalldaten:
    Max. Schalldruckpegel bei B0/W55 C
    nach DIN EN ISO 11203
    in 1m Abstand: 36 dB(A)
    Schallleistungspegel bei B0/W55 C
    min.-max.: 37-49 dB(A)
    -
    Leistungsdaten:
    Modulationsbereich bei B0/W35 C
    nach EN 14511: 3-12 kW
    COP bei B0/W35, nach EN 14511
    bei Teillast: 4,75
    Entzugsleistung bei B0/W35, nach
    EN 14511 bei Teillast: 4,88 kW

    Elektrische Leistungsaufnahme bei
    B0/W35, nach EN 14511 bei
    Teillast: 1,30 kW
    SCOP bei durchschnittlichen Klimaver-
    hältnissen bei 55 C: 4,17
    SCOP bei durchschnittlichen Klimaver-
    hältnissen bei 35 C: 5,55
    -
    Warmwasserbetrieb:
    Speicherinhalt (exkl. Wärme-
    tauscher): 180 l
    Minimal/maximal erlaubter Betriebs-
    druck: 2,0/10,0 bar
    Warmwasser-COP nach EN-16147(2017) bei
    ECO+ Einstellung: 3,11
    Warmwasserbereitungs-
    Energieeffizienzklasse bei ECO+
    Einstellung: A+
    Zapfprofil/Zapfmenge V40
    bei ECO+ Einstellung: XL/206 l
    Warmwasserbereitungs-
    Energieeffizienzklasse bei ECO
    Einstellung: A
    Zapfprofil/Zapfmenge V40
    bei ECO Einstellung: XXL/269 l
    Warmwasserbereitungs-
    Energieeffizienzklasse bei KOMFORT
    Einstellung: A
    Zapfprofil/Zapfmenge V40
    bei KOMFORT Einstellung: XXL/298 l
    -
    Heizungssystem:
    Minimal/maximal erlaubter Betriebs-
    druck: 1,2/3,0 bar
    Nenndurchfluss bei Fußboden-
    heizung: 2,12 m3/h
    Restförderhöhe bei Nenndurchfluss bei
    Fußbodenheizung: 3,8 m
    Nenndurchfluss bei Radiatoren-
    heizung: 1,19 m3/h
    Restförderhöhe bei Nenndurchfluss bei
    Radiatorenheizung: 6,4 m
    Max. Vorlauftemperatur bei B0 C: 71 C
    Max. Vorlauftemperatur bei B-3 C: 71 C
    Anschluss Heizkreis: CU 28 mm
    -
    Solekreis
    Minimal/maximal erlaubter Betriebs-
    druck: 0,5/3,0 bar
    Mischanteil Ethanol,
    min./max.: 25/34 %vol.
    Mischanteil Ethylenglykol,
    min./max.: 30/35 %vol.
    Sole-Eintrittstemperatur
    min./max.: -5/30 C
    Anschluss Solekreis: Edelstahl 28 mm
    -
    Elektrodaten:
    Spannungsversorgung: 400V, 3N, 50 Hz
    Max. Kompressor-Betriebsstrom: 8 A
    Max. Betriebsstrom inkl. Elektro-
    Zuheizer 9 kW: 23 A
    Absicherung mit Elektro-Zuheizer
    3/6/9 kW: 16/20/25 A
    IP-Schutzklasse: X1

Installation:

  • Für die Installation dieses Gerätes ist ein 400V Starkstromanschluss (Drei-Phasen-Wechselanschluss) notwendig, die Montage (Wasser und Elektroinstallation) sowie die Erstinbetriebnahme und die Wartung dieses Gerätes dürfen nur von einer Elektrofachkraft in Übereinstimmung mit den gültigen Vorschriften sowie entsprechend dieser Anweisung ausgeführt werden!
WEEE-Reg.-Nr.: DE 69542401

Allg. Sicherheitshinweise:

Zur Vermeidung von Körper- und Gesundheitsschäden sind die Montage, Erstinbetriebnahme, Inspektion, Wartung und Instandsetzung von autorisierten Fachkräften (Heizungs- / Sanitärfachbetrieb / Vertragsinstallationsunternehmen) vorzunehmen!

Bestimmungsgemäße Verwendung: Bitte beachten Sie die bei Installation und Montage beiliegende Installations-, Betriebs- und Wartungsanleitungen sowie Produkt-/Systemzulassungen aller Anlagenkomponenten. Bei Wärmeerzeugern ist es zum Beispiel regelmäßig der Fall, dass allein für diese Heizung zugelassene Abgastechnik zur Verwendung gelangen darf. Zur bestimmungsgemäßen Verwendung gehört gleichsam die Einhaltung der ebenfalls in o.g. Unterlagen enthaltenen Inspektions- und Wartungsbedingungen.

Elektrische Heizgeräte sowie Durchlauferhitzer mit Starkstromanschluß (400V) dürfen nur durch jeweiligen Netzbetreiber oder durch ein in das Installateurverzeichnis des Netzbetreibers eingetragenes Installationsunternehmen installiert werden!

Elektrogeräte mit Drei-Phasen-Wechselstrom-Anschluss (3~/400V) und "nicht-steckerfertigen Geräten" sind von einem Fachbetrieb zu installieren. Geräte mit einer Nennleistung von mehr als 12 kW müssen vor der Erstinstallation eine Zustimmung vom Netzbetrieber erhalten.

Installation, Inspektion, Wartung und Instandsetzung von Gasgeräten sowie Gaseinstellungen darf nur ein Fachhandwerker durchführen!

Herstellerinformationen

Bosch Thermotechnik GmbH
Sophienstraße 30-32
35576 Wetzlar
DE

Tel: 06441 418-0
E-Mail: info@buderus.de

Ähnliche Artikel

NIBE Abluftmodul FLM S45 für Sole Wasser Wärmepumpen für Wohnungslüftung
Abluftmodul NIBE FLM S45 für Sole/Wasser Wärmepumpen Hersteller: 067627 Beschreibung: Das Abluftmodul NIBE FLM S45 mit integriertem Ventilator ist speziell für den Einsatz mit einer NIBE Erdwärmepumpe der S-Serie konzipiert. Das Gerät dient zur Rückgewinnung von Abluftwärme über die Wärmequellenanlage von Das Abluftmodul NIBE FLM S45 ist speziell für den Einsatz mit einer NIBE Erdwärmepumpe der S-Serie konzipiert. Das Gerät dient zur Rückgewinnung von Abluftwärme über die Wärmequellenanlage von NIBE Sole-/Wasser-Wärmepumpen. Dabei findet eine Erwärmung/Regeneration der Wärmequelle auch bei abgeschalteter Wärmepumpe statt. Das NIBE FLM S45 verfügt über einen leistungsfähigen Ventilator mit einem geringen Geräuschpegel. Die Regelung des Abluftmoduls erfolgt über den Komfortregler der angeschlossenen NIBE Wärmepumpe. Dabei ist auch ein Onlinezugriff mittels NIBE myUplink (S-Serie) möglich. Wird eine förderfähige Wärmepumpe mit einer Wohnraumlüftung inklusive Wärmerückgewinnung kombiniert und diese Komponenten regelungstechnisch gemeinsam betrieben, kann die Lüftungsanlage gemäß BAFA-Förderung gefördert werden. Die Förderung schließt neben der Montage auch das gesamte Lüftungskanalnetz und Zubehör ein. Es gelten die jeweils aktuellen Förderbedingungen des BAFA, siehe auch Rubrik "Support" unter Förderung. Technische Daten: FLM S45 Spannung: 230 V/ 1 Ph (steckerfertig) Ventilator: Gleichstrom (DC) Max. Luftvolumenstrom: 330 m3/h Max. Wärmeentzugsleistung Abluft: 1600 W Breite: 600 mm Tiefe: 556 mm Höhe: 396 mm Rohranschluss Ab-/ Fortluft: DN 160 mm Gewicht: 35 kg ErP Energieeffizienzklasse: E   Lieferumfang: Abluftmodul NIBE FLM S45 für Sole/Wasser Wärmepumpen Montage und Bedienungsanleitung

2.447,76 €*

Art.Nr.: 168420890

ca. 1 Woche

Vaillant Sole Wasser Heizungswärmepumpe flexoTHERM exclusive VWF 87/4 8,9 kW
Sole/Wasser-Heizungswärmepumpe Vaillant flexoTHERM exclusive VWF 87/4 8,9 kW / COP 5,1 Artikelnummer: 0010030745 Beschreibung: Mit Green iQ ausgezeichnet Einzigartig flexible Sole/Split-Technologie mit allen Wärmequellen kombinierbar Besonders leiser Betrieb der Wärmepumpe durch Sound Safe System Vorlauftemperaturen bis 65°C für Modernisierung durch EVI auch bei niedrigen Außentemperaturen Hoher Wirkungsgrad durch modernen, langlebigen Wärmepumpen Scrollkompressor 10 Jahre Kompressor-Materialgarantie (Einzelheiten sind den Garantiebedingungen zu entnehmen) Kostenlose Endkunden App für iPhone und Android Smartphones Hocheffizienz-Pumpen in Heizungs-/Solekreislauf Vorrang-Umschaltventil Warmwasser Elektro Zusatzheizung 9 kW, mehrstufig Anlaufstrombegrenzer Sensorgesteuerter Kältekreislauf mit EVI TechnologieSerienmäßig integrierter Wärmemengenzähler und Stromzähler VAILLANT Heizungswärmepumpe flexoTHERM VWF 87/4 (Sole/Wasser) Produktvorteile ausgezeichnet mit Green iQ serienmäßige App für iPhone und Android Smartphones besonders leiser Betrieb der Wärmepumpe durch Sound Safe System 10 Jahre Kompressor-Materialgarantie Sensorgesteuerter Kältekreislauf mit EVI Technologie Serienmäßig integrierter Wärmemengenzähler und Stromzähler Ausstattung: - Hocheffizienz-Pumpen in Heizungs- /Solekreislauf - integrierter Anlaufstrombegrenzer - Motorumschaltventil Warmwasser - Elektro Zusatzheizung 9kW, mehrstufig Sole-Sicherheitsventil im Lieferumfang Internetmodul VR 921 kostenlos bestellbar Technische Daten: Typ: flexoTHERM exclusive VWF 87/4 Netzspannung 3/N/PE 400 V/50 Hz Heizleistung (B0/W35) 8,82 kW Leistungszahl 4,84 Heizleistung (B0/W55) 8,94 kW Leistungszahl 3,22 Jahreszeitbedingte Raumheizungseffizienz ETA S bei 35 Grd.C 202 % Jahreszeitbedingte Raumheizungseffizienz ETA S bei 55 Grd.C 147 % maximale Vorlauftemperatur: 65 Grd.C Schallleistungspegel 42 dB(A) Anschlüsse - Heizungs-Vor-/Rücklauf G 1 1/2 - Solekreis-Vor-/Rücklauf G 1 1/2 Höhe: 1183 mm Breite: 595 mm Tiefe 600 mm Gewicht 160 kg Raumheizungs-Energieeffizienz-klasse 55 C A+++ Raumheizungs-Energieeffizienz-klasse 35 C A+++ (Spektrum A+++ bis D) Bestell-Nr. 0010030745 Lieferumfang: 1 flexoTHERM exclusive mit montierter Verkleidung auf einer Palette 1 Sicherheitsventil für Solekreis, 1/2“, 3 bar 1 Internetmodul 1 Betriebs- und Installationsanleitung 1 Garantiekarte DE 1 Produktdatenblatt und Energieeffizienzlabel Installation: Für die Installation dieses Gerätes ist ein 400V Starkstromanschluss (Drei-Phasen-Wechselanschluss) notwendig, die Montage (Wasser und Elektroinstallation) sowie die Erstinbetriebnahme und die Wartung dieses Gerätes dürfen nur von einer entsprechenden Fachkraft in Übereinstimmung mit den gültigen Vorschriften sowie entsprechend dieser Anweisung ausgeführt werden! Für alle Anlagen sind die Grundsatzanforderungen des WHG (Wasserhaushaltsgesetz) und der VAwS (Anlagenverordnung) „Austretende Stoffe müssen zurückgehalten werden“ (Auffangwanne) zu erfüllen. Damit verbunden ist eine Hinweispflicht die vom Anlagenbauer erbracht werden muss. Alle Toshiba-Innengeräte fallen unter die VDI 6022 und müssen im vorgegebenen Turnus inspiziert werden. Installation, Wartung, Instandhaltung, Reparatur und Stilllegung an Anlagen die fluorierte Treibhausgase enthalten, sind zertifizierungspflichtige Tätigkeiten. Bitte beachten Sie die gültigen Verordnungen und Vorschriften, insbesondere ChemOzonSchichtV und F-Gase Verordnung EU Nr. 517 / 2014.

8.528,16 €*
a++
a+++ d
Datenblatt

Art.Nr.: 177406185

ca. 1 Woche

STIEBEL ELTRON Sole Wasser Wärmepumpe WPE-I 05 HW 400 Plus 205834 5,56 kW
STIEBEL ELTRON Sole-Wasser-Wärmepumpe WPE-I 05 HW 400 Plus Herstellerteilenummer: 205834 Beschreibung: Die kompakte Sole-Wasser-Wärmepumpe eignet sich zum Beheizen von Ein- und Zweifamilienhäusern, stellt gleichzeitig aber auch die Warmwasserversorgung sicher. Dank der ganzjährig hohen Vorlauftemperaturen eignet sich die Wärmepumpe sowohl für den Neubau als auch für die Sanierung. Aktives oder passives Kühlen ist durch zusätzliche externe Komponenten möglich. KOMFORTMERKMALE: Die Wärmepumpe wird im Innenbereich aufgestellt. Die kleine Aufstellfläche wird durch den hohen Integrationsgrad erreicht: Das kompakte Gehäuse ist serienmäßig mit Regler und hydraulischen Komponenten wie Umschaltventilen und Umwälzpumpen ausgestattet. Für die Steuerung ist ein gut ablesbares Touch-Display integriert, das sich intuitiv bedienen lässt. Visualisierte Heizkurven informieren über die Leistung der Anlage. Die Wärmepumpe ist im Betrieb sehr leise, da der Kältekreis auf einer schwingungsentkoppelten Grundplatte montiert ist. Die Übertragung von Körperschall auf das Gebäude wird dadurch minimiert. Der hochwertige Edelstahlspeicher ist durch ein spezielles Verfahren sehr gut vor Korrosion geschützt. Aktives Kühlen ist durch externe Kreislaufumkehr möglich, für passives Kühlen wird ein zusätzlicher externer Platten-Wärmeübertrager benötigt. Die Wärmepumpe kann über das Internet Service Gateway (optionales Zubehör) mit der MyStiebel App durch Smartphone oder Tablett gesteuert werden. EFFIZIENZ: Dank der drehzahlgeregelten Umwälzpumpen ist ein effizienter Betrieb der Wärmepumpe gewährleistet. INSTALLATION: Die Aufstellung hat sich vereinfacht, da das Gewicht der Wärmepumpe im Vergleich zum Vorgängermodell deutlich reduziert werden konnte. Innen aufgestellte Sole-Wasser-Wärmepumpe zum Heizen und Warmwasserbereiten Für Neubau und Modernisierung geeignet Kompakte Lösung mit integrierten Schlüsselbauteilen spart Platz Niedrige Energiekosten dank vorbildlicher Effizienz Hohe Effizienz durch optimal aufeinander abgestimmte Komponenten mit hochwertiger Technik Sehr hoher Warmwasserkomfort dank Vorlauftemperatur von bis zu 62 °C Kühlfunktion dank integrierter Regelungstechnik möglich (Zusatzkomponenten notwendig) Technische Daten: Energieeffizienzklasse Wärmepumpe W35 (A+++ → D) A+++ Energieeffizienzklasse Wärmepumpe W55 (A+++ → D) A++ SCOP 35 °C (EN 14825) 4,74 Energieeffizienzklasse Warmwasser-Bereitung bei Lastprofil XL (A+ → F) A Wärmeleistung bei B0/W35 (EN 14511) 5,56 kW Wärmeleistung bei B0/W55 (EN 14511) 5,00 kW Leistungsaufnahme bei B0/W55 (EN 14511) 1,80 kW Leistungszahl bei B0/W35 (EN 14511) 4,40 Leistungszahl bei B0/W55 (EN 14511) 2,78 Schallleistungspegel (EN 12102) 42 dB(A) Einsatzgrenze heizungsseitig max. 60 °C Höhe 1860 mm Breite 600 mm Tiefe 707 mm Nenninhalt 184 l Fläche Wärmeübertrager 1,83 m² Gewicht 148 kg Nennspannung Verdichter 400 V Nennspannung Not-/Zusatzheizung 400 V Kältemittel R452 B Lieferumfang: STIEBEL ELTRON Sole-Wasser-Wärmepumpe WPE-I 05 HW 400 Plus Montage- und Betriebsanleitung Installation: Für die Installation dieses Gerätes ist ein 400V Starkstromanschluss (Drei-Phasen-Wechselanschluss) notwendig, die Montage (Wasser und Elektroinstallation) sowie die Erstinbetriebnahme und die Wartung dieses Gerätes dürfen nur von einer Elektrofachkraft in Übereinstimmung mit den gültigen Vorschriften sowie entsprechend dieser Anweisung ausgeführt werden!

8.808,97 €*
a+++
a+++ d
Datenblatt

Art.Nr.: 171423967

ca. 4 Wochen

Vaillant Heizungswärmepumpe flexoCOMPACT exclusive VWF 58 /4 Sole Erdwärme
Vaillant Heizungswärmepumpe flexoCOMPACT exclusive VWF 58 /4 mit Speicher 5,3 kW Artikelnummer: 0010030749  Beschreibung: Die neue Wärmepumpe flexoTHERM exclusive nutzt die in der Erde, der Luft und dem Wasser gespeicherte Sonnenenergie besonders effizient und ist daher mit unserem neuen Green iQ Label ausgezeichnet. Green iQ steht dabei für nachhaltige Technologien und vernetztes Denken Produktvorteile ausgezeichnet mit Green iQ serienmäßige Endkunden App für iPhone und Android Smartphones besonders leiser Betrieb der Wärmepumpe durch Sound Safe System 10 Jahre Kompressor-Materialgarantie Sensorgesteuerter Kältekreislauf mit EVI Technologie Integrierte aktive Kühlfunktion Serienmäßig integrierter Wärmemengenzähler und Stromzähler Ausstattung integrierter Anlaufstrombegrenzer Hocheffizienz-Pumpen in Heizungs- /Solekreislauf Motorumschaltventil Warmwasser Elektro Zusatzheizung 9kW, mehrstufig Sole-Sicherheitsventil im Lieferumfang Technische Daten: Heizleistung (B0W35) 5,3 kW Leistungszahl 4,7 Heizleistung (B0W55) 5,4 kW Leistungszahl 3,0 Inneneinheit: Netzspannung - Steuerkreis 1/N/PE 230 V/50 Hz - Kompressor 3/N/PE 400 V/50 Hz - Zusatzheizung 3/N/PE 400 V/50 Hz Anschlüsse - Heizungs-Vor-/Rücklauf G 1 1/2 - Solekreis-Vor-/Rücklauf G 1 1/2 - Kalt-/Warmwasser G 3/4 maximale Vorlauftemperatur: 65 Grd.C Warmwasserspeicherinhalt TW 185 l maximale Temperatur - mit Wärmepumpe 60 Grd.C - mit Wärmepumpe+Zusatzheizung 75 Grd.C Betriebsdruck max. 10 bar Höhe/Breite/Tiefe 1900/595/720 mm Gewicht 223 kg Schallleistungspegel 42 dB(A) Energieeffizienzklasse Heizung A++ (Spektrum A++ bis G) Energieeffizienzklasse Warmwasser A (Spektrum A bis G) Bestell-Nr. 0010030749 Elektroanschluss 3/N/PE~400 V Leistungsaufnahme 1.13 kW Anlaufstrom 15 A Wärmequelle Sole Heizleistung, A2/W35, B0/W35, W10/W35 5.3 kW Einsatzgrenze Wärmequelle -10 - 25 °C Volumenstrom, wärmequellenseitig 1.29 m³/h Volumenstrom, heizungsseitig 0.92 m³/h Max. Heizungsvorlauftemperatur 65 °C Anschluss Heizungs-Vor-/Rücklauf 1 1/2 Zoll außen Kältemittel R410 A Füllmenge Kältemittel 1.5 kg Schallleistungspegel 40 dB(A) Aufstellungsort innen Leistungszahl 4.7 Heizwassertemperaturspreizung 5 K Energieeffizienzklasse A++ Schutzart (IP) IP10 Höhe 1184 mm Breite 595 mm Tiefe 720 mm Gewicht 145 kg Internetmodul Vaillant VR 921 sensoNET: Kostenfreie App-Bedienung bei zusätzlicher Verwendung des Reglers multiMATIC 700, sensoCOMFORT oder sensoDIRECT Ermöglicht den Zugang zum kostenlosen Vaillant Ferndiagnose Portal profiDIALOG für eBUS fähige Wärmeerzeuger ab 2007 EEBus Ready SSL Daten-Verschlüsselung und VDE Smart Home Sicherheits Zertifikat für eine sichere Internetkommunikation Schnelle Datenübertragung WiFi Ready (WLAN Chip integriert) oder LAN-Anschluss Funkchip 868 MHz integriert zur Ansteuerung der Einzelraumregelung ambiSENSE (AES-verschlüsselte Berechtigungsüberprüfung und VDE zertifiziert) Einfache Wandmontage Ausstattung App Funktionen: - Einstellung von Zeitfenstern für Heizung, Warmwasser, Zirkulation und Lüftung Einstellung von Bertriebsarten und Sollwerten Sonderfunktionen (Beispielweise Einen Tag außer Haus/ zu Hause, Stoßlüften, Abwesend bis) Systeminformationen (Systemdruck und Temperaturen) Anzeige Anlagenstatus und Fehlermeldungen Steuerung der Einzelraumregelung ambiSENSE In Verbindung mit Green iQ Produkten Stromverbrauchs-, Gasverbrauchs-, und Umweltertragsanzeige Systeminformationen der Photovoltaikanlage bei EEBus Anwendung mit SMA Sunny Home Manager 2.0 Einsatzmöglichkeit Rückwärtskompatibel mit allen Vaillant Wärmeerzeugern mit eBUS-Schnittstelle ab 2007 Kompatible Regler für das profiDIALOG Ferndiagnoseportal: alle eBUS Regler (calorMATIC 470/3, 470/4 630/3, auroMATIC 620/3, multiMATIC 700, sensoCOMFORT, sensoDIRECT) und integrierte Energiebilanzregler (VWS, VWL, VWW) - Die ambiSENSE Einzelraumregelung ist ohne Erweiterungsmodul, mit dem Erweiterungsmodul VR 70 oder VR 71 einsetzbar - ambiSENSE regelt den 1. Heizkreis (Radiatorenkreis) Hinweis: Nur für Wandmontage   Lieferumfang: Vaillant Heizungswärmepumpe flexoCOMPACT exclusive VWF 58 /4 mit Speicher 5,3 kW Vaillant Modul VR921 0020260962 Installations-Set Vaillant 90° für flexoTHERM Installation: Für die Installation dieses Gerätes ist ein 400V Starkstromanschluss (Drei-Phasen-Wechselanschluss) notwendig, die Montage (Wasser und Elektroinstallation) sowie die Erstinbetriebnahme und die Wartung dieses Gerätes dürfen nur von einer entsprechenden Fachkraft in Übereinstimmung mit den gültigen Vorschriften sowie entsprechend dieser Anweisung ausgeführt werden!

8.888,62 €*
a++
a+++ d
Datenblatt

Art.Nr.: 163900709

ca. 1 Woche

STIEBEL ELTRON Sole Wasser Wärmepumpe WPE-I 07 HW 400 Plus 205835 7,35 kW
STIEBEL ELTRON Sole-Wasser-Wärmepumpe WPE-I 07 HW 400 Plus Herstellerteilenummer: 205835 Beschreibung: Die kompakte Sole-Wasser-Wärmepumpe eignet sich zum Beheizen von Ein- und Zweifamilienhäusern, stellt gleichzeitig aber auch die Warmwasserversorgung sicher. Dank der ganzjährig hohen Vorlauftemperaturen eignet sich die Wärmepumpe sowohl für den Neubau als auch für die Sanierung. Aktives oder passives Kühlen ist durch zusätzliche externe Komponenten möglich. KOMFORTMERKMALE: Die Wärmepumpe wird im Innenbereich aufgestellt. Die kleine Aufstellfläche wird durch den hohen Integrationsgrad erreicht: Das kompakte Gehäuse ist serienmäßig mit Regler und hydraulischen Komponenten wie Umschaltventilen und Umwälzpumpen ausgestattet. Für die Steuerung ist ein gut ablesbares Touch-Display integriert, das sich intuitiv bedienen lässt. Visualisierte Heizkurven informieren über die Leistung der Anlage. Die Wärmepumpe ist im Betrieb sehr leise, da der Kältekreis auf einer schwingungsentkoppelten Grundplatte montiert ist. Die Übertragung von Körperschall auf das Gebäude wird dadurch minimiert. Der hochwertige Edelstahlspeicher ist durch ein spezielles Verfahren sehr gut vor Korrosion geschützt. Aktives Kühlen ist durch externe Kreislaufumkehr möglich, für passives Kühlen wird ein zusätzlicher externer Platten-Wärmeübertrager benötigt. Die Wärmepumpe kann über das Internet Service Gateway (optionales Zubehör) mit der MyStiebel App durch Smartphone oder Tablett gesteuert werden. EFFIZIENZ: Dank der drehzahlgeregelten Umwälzpumpen ist ein effizienter Betrieb der Wärmepumpe gewährleistet. INSTALLATION: Die Aufstellung hat sich vereinfacht, da das Gewicht der Wärmepumpe im Vergleich zum Vorgängermodell deutlich reduziert werden konnte. Innen aufgestellte Sole-Wasser-Wärmepumpe zum Heizen und Warmwasserbereiten Für Neubau und Modernisierung geeignet Kompakte Lösung mit integrierten Schlüsselbauteilen spart Platz Niedrige Energiekosten dank vorbildlicher Effizienz Hohe Effizienz durch optimal aufeinander abgestimmte Komponenten mit hochwertiger Technik Sehr hoher Warmwasserkomfort dank Vorlauftemperatur von bis zu 62 °C Kühlfunktion dank integrierter Regelungstechnik möglich (Zusatzkomponenten notwendig) Technische Daten: Energieeffizienzklasse Wärmepumpe W35 (A+++ → D) A+++ Energieeffizienzklasse Wärmepumpe W55 (A+++ → D) A++ SCOP 35 °C (EN 14825) 4,96 Energieeffizienzklasse Warmwasser-Bereitung bei Lastprofil XL (A+ → F) A Wärmeleistung bei B0/W35 (EN 14511) 7,35 kW Wärmeleistung bei B0/W55 (EN 14511) 6,84 kW Leistungsaufnahme bei B0/W55 (EN 14511) 2,43 kW Leistungszahl bei B0/W35 (EN 14511) 4,62 Leistungszahl bei B0/W55 (EN 14511) 2,81 Schallleistungspegel (EN 12102) 42 dB(A) Einsatzgrenze heizungsseitig max. 60 °C Höhe 1860 mm Breite 600 mm Tiefe 707 mm Nenninhalt 184 l Fläche Wärmeübertrager 1,83 m² Gewicht 165 kg Nennspannung Verdichter 400 V Nennspannung Not-/Zusatzheizung 400 V Kältemittel R452 B Lieferumfang: STIEBEL ELTRON Sole-Wasser-Wärmepumpe WPE-I 07 HW 400 Plus Montage- und Betriebsanleitung Installation: Für die Installation dieses Gerätes ist ein 400V Starkstromanschluss (Drei-Phasen-Wechselanschluss) notwendig, die Montage (Wasser und Elektroinstallation) sowie die Erstinbetriebnahme und die Wartung dieses Gerätes dürfen nur von einer Elektrofachkraft in Übereinstimmung mit den gültigen Vorschriften sowie entsprechend dieser Anweisung ausgeführt werden!

9.228,45 €*
a+++
a+++ d
Datenblatt

Art.Nr.: 171423897

ca. 4 Wochen

Novelan Sole Wasser Wärmepumpe Compact SICV 6.2H3 heizen 2-6 kW Innenaufstellung
Novelan Sole/Wasser-Wärmepumpe Compact 3,15kW z.Inn.aufst. SICV 6.2H3 Herstellerteilenummer: 10360222 Beschreibung: Anschlussfertiges Kompaktgerät mit leistungsgeregeltem Verdichter für die Wärmequelle Erdreich zur Innenaufstellung mit integrierter Hydraulik sowie mit Heizungs- und Wärmepumpenregler. Die Heizungsanschlüsse sind von oben anschließbar, Wärmequelle ist von oben, links oder rechts anschließbar. Anlagenhydraulik für den Heizkreis, Überströmventil, Sicherheitsventil, Energieeffizienzumwälzpumpe für Heizkreis und Trinkwarmwasserbereitung. Integriertes Elektroheizelement zur Estrichausheizung und für die Legionellenschaltung. Anlagenhydraulik für die Wärmequellenseite, mit eingebauter Soleumwälzpumpe. Die Schwingungsentkopplung ist für Heizkreis und Wärmequelle im Gerät integriert. Das Gerät ist komplett von der Vorderseite zugänglich. Der Kältekreis ist entsprechend den gültigen Normen und Sicherheitsvorschriften ausgeführt und mit flouriertem Treibhausgas gefüllt. Der Kältekreis und Wärmequellenkreis ist in einer entnehmbaren Modulbox untergebracht. Wärmepumpenregler Witterungsgeführter Heizungs- und Wärmepumpenregler mit Vollgrafikdisplay und Menüführung, laufzeitoptimierte und wärmebedarfsabhängige Verdichteransteuerung, alle Betriebsarten einzeln programmierbar, automatische Heizgrenzfunktion, Estrichausheizprogramm, Pumpenoptimierungsprogramm, Ansteuerung von mehreren Wärmeerzeugern, Ansteuerung eines Mischkreises (Lade- / Entlade- / Kühlkreis), Datenloggerfunktion, Fehlerdiagnoseprogramm mit Fehlerspeicher, Kurzprogramm für Kundendienst, Inbetriebnahme-Assistent, Entlüftungsprogramm, Schnellladefunktion für Trinkwarmwasserbereitung, automatische Sommer- / Winterzeitfunktion, Urlaubszeitfunktion, netzwerkfähig, USB-Schnittstelle, Mehrsprachigkeit, erweiterungsfähig. Technische Daten: Heizleistung nach EN14511 bei B0/W35: 1,25 kW bis 5,95 kW COP nach EN14511 bei B0/W35 Teillast: 4,86 Einsatzgrenzen Heizkreis: 20 bis 65 C Wärmequelle: -5 bis 25 C Sole-Volumenstrom (Rohrdimensionierung): 1450 l/h Freie Pressung WP bei 1450 l/h Sole-Volumenstrom: 0,5 bar Heizwasser-Volumenstrom (Rohrdimensionierung): 1050 l/h Freie Pressung WP bei 1050 l/h Heizwasser-Volumenstrom: 0,65 bar Maße (B x T x H ohne Schnittstellen und Bedienteil): 598 x 665 x 1500 mm Gewicht gesamt: 145 kg Kältemittel / Füllgewicht: R407c / 1,16 kg Spannungscode: 3-N/PE/400V/50Hz Leistungsaufnahme WP bei B0/W35 nach EN14511 Teillast: 0,68 kW Anlaufstrom direkt: kleiner 5A Elektroheizelement: 6 / 3 kW Energieeffizienzklasse Raumheizgeräte bei 35 C: A++ Energieeffizienzklasse Raumheizgeräte bei 55 C: A++ Energieeffizienzklasse Verbund Raumheizgeräte bei 55 C: A+++ Lieferumfang: Novelan Sole/Wasser-Wärmepumpe Compact 3,15kW z.Inn.aufst. SICV 6.2H3 Montage- und Bedienungsanleitung Installation: Für die Installation dieses Gerätes ist ein 400V Starkstromanschluss (Drei-Phasen-Wechselanschluss) notwendig, die Montage (Wasser und Elektroinstallation) sowie die Erstinbetriebnahme und die Wartung dieses Gerätes dürfen nur von einer Elektrofachkraft in Übereinstimmung mit den gültigen Vorschriften sowie entsprechend dieser Anweisung ausgeführt werden!

9.404,09 €*
a+++
a+++ d
Datenblatt

Art.Nr.: 176979170

ca. 1 Woche

Vaillant Heizungswärmepumpe flexoCOMPACT exclusive VWF 88 /4 Sole Erdwärme
Vaillant Heizungswärmepumpe flexoCOMPACT exclusive VWF 88 /4 mit Speicher 8,9 kW Artikelnummer: 0010030750 Beschreibung: Die neue Wärmepumpe flexoTHERM exclusive nutzt die in der Erde, der Luft und dem Wasser gespeicherte Sonnenenergie besonders effizient und ist daher mit unserem neuen Green iQ Label ausgezeichnet. Green iQ steht dabei für nachhaltige Technologien und vernetztes Denken Produktvorteile ausgezeichnet mit Green iQ serienmäßige Endkunden App für iPhone und Android Smartphones besonders leiser Betrieb der Wärmepumpe durch Sound Safe System 10 Jahre Kompressor-Materialgarantie Sensorgesteuerter Kältekreislauf mit EVI Technologie Integrierte aktive Kühlfunktion Serienmäßig integrierter Wärmemengenzähler und Stromzähler Ausstattung integrierter Anlaufstrombegrenzer Hocheffizienz-Pumpen in Heizungs- /Solekreislauf Motorumschaltventil Warmwasser Elektro Zusatzheizung 9kW, mehrstufig Sole-Sicherheitsventil im Lieferumfang Technische Daten: Heizleistung (B0W35) 8,9 kWLeistungszahl 5,1 Heizleistung (B0W55) 9,0 kWLeistungszahl 3,3 Inneneinheit:Netzspannung - Steuerkreis 1/N/PE 230 V/50 Hz - Kompressor 3/N/PE 400 V/50 Hz - Zusatzheizung 3/N/PE 400 V/50 Hz Anschlüsse - Heizungs-Vor-/Rücklauf G 1 1/2 - Solekreis-Vor-/Rücklauf G 1 1/2 - Kalt-/Warmwasser G 3/4 maximale Vorlauftemperatur: 65 Grd.C Warmwasserspeicherinhalt TW 185 l maximale Temperatur - mit Wärmepumpe 60 Grd.C - mit Wärmepumpe+Zusatzheizung 75 Grd.C Betriebsdruck max. 10 bar Höhe/Breite/Tiefe 1900/595/720 mm Gewicht 238 kg Schallleistungspegel 43 dB(A) Energieeffizienzklasse Heizung A+++ (Spektrum A++ bis G) Energieeffizienzklasse Warmwasser A (Spektrum A bis G) Bestell-Nr. 0010030750 Elektroanschluss 3/N/PE~400 V Leistungsaufnahme 1.75 kW Anlaufstrom 19 A Wärmequelle Sole Heizleistung, A2/W35, B0/W35, W10/W35 8.9 kW Einsatzgrenze Wärmequelle -10 - 25 °C Volumenstrom, wärmequellenseitig 2.32 m³/h Volumenstrom, heizungsseitig 1.53 m³/h Max. Heizungsvorlauftemperatur 65 °C Anschluss Heizungs-Vor-/Rücklauf 1 1/2 Zoll außen Kältemittel R410 A Füllmenge Kältemittel 2.4 kg Schallleistungspegel 43 dB(A) Aufstellungsort innen Leistungszahl 5.1 Heizwassertemperaturspreizung 5 K Energieeffizienzklasse A++ Schutzart (IP) IP10 Höhe 1868 mm Breite 595 mm Tiefe 720 mm Gewicht 227 kg  Internetmodul Vaillant VR 921 sensoNET: Kostenfreie App-Bedienung bei zusätzlicher Verwendung des Reglers multiMATIC 700, sensoCOMFORT oder sensoDIRECT Ermöglicht den Zugang zum kostenlosen Vaillant Ferndiagnose Portal profiDIALOG für eBUS fähige Wärmeerzeuger ab 2007 EEBus Ready SSL Daten-Verschlüsselung und VDE Smart Home Sicherheits Zertifikat für eine sichere Internetkommunikation Schnelle Datenübertragung WiFi Ready (WLAN Chip integriert) oder LAN-Anschluss Funkchip 868 MHz integriert zur Ansteuerung der Einzelraumregelung ambiSENSE (AES-verschlüsselte Berechtigungsüberprüfung und VDE zertifiziert) Einfache Wandmontage Ausstattung App Funktionen: - Einstellung von Zeitfenstern für Heizung, Warmwasser, Zirkulation und Lüftung Einstellung von Bertriebsarten und Sollwerten Sonderfunktionen (Beispielweise Einen Tag außer Haus/ zu Hause, Stoßlüften, Abwesend bis) Systeminformationen (Systemdruck und Temperaturen) Anzeige Anlagenstatus und Fehlermeldungen Steuerung der Einzelraumregelung ambiSENSE In Verbindung mit Green iQ Produkten Stromverbrauchs-, Gasverbrauchs-, und Umweltertragsanzeige Systeminformationen der Photovoltaikanlage bei EEBus Anwendung mit SMA Sunny Home Manager 2.0 Einsatzmöglichkeit Rückwärtskompatibel mit allen Vaillant Wärmeerzeugern mit eBUS-Schnittstelle ab 2007 Kompatible Regler für das profiDIALOG Ferndiagnoseportal: alle eBUS Regler (calorMATIC 470/3, 470/4 630/3, auroMATIC 620/3, multiMATIC 700, sensoCOMFORT, sensoDIRECT) und integrierte Energiebilanzregler (VWS, VWL, VWW) - Die ambiSENSE Einzelraumregelung ist ohne Erweiterungsmodul, mit dem Erweiterungsmodul VR 70 oder VR 71 einsetzbar - ambiSENSE regelt den 1. Heizkreis (Radiatorenkreis) Hinweis: Nur für Wandmontage Lieferumfang: Vaillant Heizungswärmepumpe flexoCOMPACT exclusive VWF 88 /4 mit Speicher 8,9 kW Vaillant Modul VR921 0020260962 Installations-Set Vaillant 90° für flexoTHERM Installation: Für die Installation dieses Gerätes ist ein 400V Starkstromanschluss (Drei-Phasen-Wechselanschluss) notwendig, die Montage (Wasser und Elektroinstallation) sowie die Erstinbetriebnahme und die Wartung dieses Gerätes dürfen nur von einer entsprechenden Fachkraft in Übereinstimmung mit den gültigen Vorschriften sowie entsprechend dieser Anweisung ausgeführt werden!

9.507,69 €*
a+++
a+++ d
Datenblatt

Art.Nr.: 163900904

ca. 1 Woche

Daikin Sole Wärmepumpe Altherma 3 Geo 6 kW H 180 Liter Warmwasserspeicher Heizen
Daikin Rotex Altherma 3 GEO 6 kW H, weiß Sole-Wasser-Wärmepumpe, 180l Speicher Herstellerteilenummer: EGSAH06D9W   Beschreibung: Die DAIKIN Altherma 3 GEO nutzt kostenlose Erdwärme (Geothermie) für die Wärmeversorgung, Kühlung und die Warmwasserbereitung für Ihr Haus. Mit einem COP von bis zu 4,7 ist die Sole-Wasser-Wärmepumpe sehr effizient. Dank einer hohen Wassertemperatur von 65 °C ist das Gerät für klassische Heizkörper oder auch mit Gebläsekonvektoren und Fußbodenleitungen kombinierbar. Die Wärmepumpeneinheit ist mit einem integrierten 180 Liter Edelstahl Warmwasserspeicher ausgestattet. Durch die kompakte Bauweise benötigt das System eine sehr geringe Stellfläche von lediglich 670 x 600 mm - das ist vergleichbar mit einer Waschmaschine. Mit einer Höhe von 1,89 m passt die Kombination aus Wärmepumpenmodul und Warmwasserspeicher in jeden Standardraum.  Moderne, anschlussfertige Sole-Wasser-Wärmepumpe 6 kW mit integriertem 180 l Warmwasserspeicher. Neu entwickelter Inverter speziell für das klimaschonende Kältemittel R-32 Smartphone-Steuerung (integrierter Lan-Adapter) elegantes intuitiv bedienbares Display, herausnehmbares Kompressormodul integrierte 9 kW Elektrozusatzheizung, integriertes Sole-Ausdehnungsgefäß und Innenraumtemperaturfühler Datenübertragung für Inbetriebnahme und Aktualisierungen über SD-Karte und USB Stick, 39 db(A) im Flüsterbetrieb. Gewicht 210 kg Technische Daten: Energieeffizienzklasse Raumheizung: A++ Energieeffizienzklasse Raumheizung im Verbund mit integrierter Regelung: A+++ Energieeffizienzklasse Warmwasser (Zapfprofil): A (L) Max. Heizleistung: B0/W35: 6 kW COP B0/W35: 4,51 SEER: 15 Abmessungen (H x B x T): 1891x597x666 mm Gewicht: 222 kg Speicher: Edelstahl Speicher-Wasservolumen: 180 Liter Max. Speicherwasser-Temperatur: 70 C Kältemittel: R-32, GWP: 675 Nom. Schallleistungspegel: 39 dB(A) Betriebsbereich wasserseitig (Heizen): min. 5 C - max. 65 C Betriebsbereich wasserseitig (Warmwasser): min. 25 C - max. 65 C Strom: 50 Hz/230 V/1 phasig Stromsicherung: 16 A Leistung standby: 15 W Typ: DAIKIN Altherma 3 GEO H 6 kW ohne Kühlfunktion   Lieferumfang: Daikin Rotex Altherma 3 GEO 6 kW H, weiß Sole-Wasser-Wärmepumpe, 180l Speicher EGSAH06D9W Montage und Bedienungsanleitung Installation: Für die Installation dieses Gerätes ist ein 400V Starkstromanschluss (Drei-Phasen-Wechselanschluss) notwendig, die Montage (Wasser und Elektroinstallation) sowie die Erstinbetriebnahme und die Wartung dieses Gerätes dürfen nur von einer Elektrofachkraft in Übereinstimmung mit den gültigen Vorschriften sowie entsprechend dieser Anweisung ausgeführt werden!

9.549,23 €*
a++
a+++ d

Art.Nr.: 171284040

ca. 1-2 Wochen

Bosch Sole Wärmepumpe CS7800iLW 12 kW Erdwärme Glasfront 8738212054
BOSCH Solewärmepumpe CS7800iLW 12 1180x600x600, 12 kW, Glasfront Artikelnummer: 8738212054   Beschreibung: Modulierende Sole-Wasser-Wärmepumpe Compress 7800i LW (F)  -> Sehr leise Schnelle, einfache und platzsparende Installation 5 Zoll Farb-Touchbedienfeld UI 800 mit EMS 2 Systemreglerfunktion Hoher SCOP bis zu 5,6 - Internet: IP-Gateway integriert Ausstattung: Hocheffizienzpumpen für Sole- und Heizkreis DPC (Dynamic PumpControl) für integrierte Heizkreispumpe Wärmemengenzähler für Heizung und Warmwasser 3-Wege-Umschaltventil für Warmwassererzeugung 3-stufiger Zuheizer (regelbar 3/6/9 kW) Integriertes 12 l Soleausdehnungsgefäß Integrierte Solebefülleinrichtung Manometer und Sicherheitsventil für Solekreis Schmutzfilter für Heizkreis Einfache Fernbedienung über App HomeCom easy Technische Daten: Typformel ohne Leerzeichen: CS7800iLW 12 Klasse für die jahreszeitbedingte Raumheizungs-Energieeffizienz (55grdC Vorlauftemperatur): A+++ Energieeffizienzklassen-Spektrum: A+++ ->D Jahreszeitbedingte Raumheizungs-Energieeffizienz bei durchschnittlichen Klimaverhältnissen (55grdC Vorlauftemperatur): 159 % Nennwärmeleistung bei durchschnittlichen Klimaverhältnissen (55grdC Vorlauftemperatur): 11 kW Klasse für die jahreszeitbedingte Raumheizungs-Energieeffizienz (35grdC Vorlauftemperatur): A+++ Energieeffizienzklassen-Spektrum: A+++ ->D Jahreszeitbedingte Raumheizungs-Energieeffizienz bei durchschnittlichen Klimaverhältnissen (35grdC Vorlauftemperatur): 214 % Nennwärmeleistung bei durchschnittlichen Klimaverhältnissen (35grdC Vorlauftemperatur): 13 kW Schallleistungspegel in Innenräumen: 41 dB (A) Umwelttechnischer Hinweis: Enthält fluorierte Treibhausgase Kältemitteltyp: R410A Treibhauspotential - GWP: 2088 kgCO2-eq Füllmenge des Kältemittels: 2 kg Füllmenge des Kältemittels: 4,176 toCO2-eq Bauart des Kältekreises: hermetisch geschlossen Farbe: glass white Heizleistung 0/35grdC nach EN 14511: 12,53 kW COP 0/35grdC nach EN 14511: 4,75 elektrische Leistung Zuheizer: 9 kW elektrischer Anschluss: 400 V elektrische Frequenz: 50 Hz Leistungsaufnahme 0/35grdC: 1300 W max Vorlauftemperatur: 71 grdC Kältemittel Typ: R410A Breite: 600 mm Höhe: 1180 mm Tiefe: 600 mm Nettogewicht: 207 kg Hersteller: Bosch Thermotechnik GmbH Bestell-Nr.: 8738212054 Verpackungsabmessung: 800x800x1436 mm Gesamtgewicht inkl. Verpackung: 222 kg   Lieferumfang: BOSCH Solewärmepumpe CS7800iLW 12 1180x600x600, 12 kW, Glasfront  Montage- und Betriebsanleitung Inbetriebnahme: Installationshinweis: Für die Installation dieses Gerätes ist ein 400V Starkstromanschluss (Drei-Phasen-Wechselanschluss) notwendig, die Montage (Wasser und Elektroinstallation) sowie die Erstinbetriebnahme und die Wartung dieses Gerätes dürfen nur von einer entsprechenden Fachkraft in Übereinstimmung mit den gültigen Vorschriften sowie entsprechend dieser Anweisung ausgeführt werden!  

9.795,56 €*
a+++
a+++ d
Datenblatt

Art.Nr.: 172954314

6 Monate

Vaillant Sole Wasser Wärmepumpe flexoCOMPACT exclusive VWF 58 /4 Paket 4.406
VA Paket 4.406 flexoCOMPACT exclusive VWF 58 /4 mit Speicher Artikelnummer: 0010030757  Beschreibung: In der Grundausstattung sind die flexoTHERM exclusive und die flexoCOMPACT exclusive eine Sole/Wasser-Wärmepumpe. Hierbei wird mittels Erdkollektor oder Erdsonde Wärme aus der Erde für das Heizsystem genutzt. Da die Temperatur im Erdboden jahreszeitunabhängig sehr konstant ist, sind Sole/Wasser-Wärmepumpe besonders effizient. Ist Ihr Grundstück für einen Saug- und Schluckbrunnen geeignet, können Sie die flexoTHERM exclusive oder flexoCOMPACT exclusive auch als Wasser/Wasser-Wärmepumpe mit einem Grundwasserkollektor nutzen. So profitieren Sie von der ganzjährig gespeicherten Wärmeenergie im Grundwasser. Die flexoCOMPACT exclusive ist eine Variante der flexoTHERM exclusive. Hier ist zusätzlich ein 185- Liter-Warmwasserspeicher aus Edelstahl integriert. Das empfiehlt sich insbesondere für einen durchschnittlichen Warmwasserbedarf einer bis zu 4-köpfigen Familie, bei wenig Platz im eigenen Aufstellraum oder dem generellen Wunsch nach einer kompakten Heizanlage Produktvorteile ausgezeichnet mit Green iQ serienmäßige Endkunden App für iPhone und Android Smartphones besonders leiser Betrieb der Wärmepumpe durch Sound Safe System 10 Jahre Kompressor-Materialgarantie Sensorgesteuerter Kältekreislauf mit EVI Technologie Integrierte aktive Kühlfunktion Serienmäßig integrierter Wärmemengenzähler und Stromzähler Technische Daten: integrierter Anlaufstrombegrenze Hocheffizienz-Pumpen in Heizungs-/Solekreislauf Motorumschaltventil Warmwasser Elektro Zusatzheizung 9kW, mehrstufig Sole-Sicherheitsventil im Lieferumfang inklusive Kommunikationsmodul VR 921 Heizleistung (B0W35) 5,3 kW Leistungszahl 4,7 Heizleistung (B0W55) 5,4 kW Leistungszahl 3,0 Inneneinheit: Netzspannung Steuerkreis 1/N/PE 230 V/50 Hz Kompressor 3/N/PE 400 V/50 Hz Zusatzheizung 3/N/PE 400 V/50 Hz Anschlüsse - Heizungs-Vor-/Rücklauf G 1 1/2 - Solekreis-Vor-/Rücklauf G 1 1/2 - Kalt-/Warmwasser G 3/4 maximale Vorlauftemperatur: 65 Grd.C Warmwasserspeicherinhalt TW 185 l maximale Temperatur - mit Wärmepumpe 60 Grd.C - mit Wärmepumpe+Zusatzheizung 75 Grd.C Betriebsdruck max. 10 bar Höhe: 1900 mm Breite: 595 mm Tiefe: 720 mm Gewicht 223 kg Schallleistungspegel 42 dB(A) Energieeffizienzklasse Heizung A++ (Spektrum A++ bis G) Energieeffizienzklasse Warmwasser A (Spektrum A bis G) Bestell-Nr. 0010030749 Internetmodul Heizungsregler sensoCOMFORT VRC 720 1 HK: Witterungsgeführter eBUS Regler mit TFT-Grafikdisplay Komfortable sensoAPP Steuerung für Android und iOS (Internetmodul VR 921 nötig) Intuitive Bedienbarkeit ohne Vorkenntnisse mit Touch-Bedienelementen Schnelle Inbetriebnahme und Systemkonfiguration durch geführte Fragenstellungen im neuen Installationsassistenten Ohne Zusatzmodule einsetzbar zur Warmwasserbereitung (Speicherladung) und einem ungeregelten Heizkreis Modular erweiterbar durch VR 70 und VR 71 - triVAI-Parameter zur Effizienzoptimierung des Hybridsystems Feuchtefühlerregelung in Verbindung mit geoTHERM VWL...5/4, flexoTHERM VWF...7/4, flexoCOMPACT VWF...8/4 und aroTHERM zum Feuchteschutz im Kühlbetrieb Integrierte Ansteuerung von Vaillant Lüftungsgeräten recoVAIR Integrierte Ansteuerung von Hybridsystemen Kaskadenschaltung von bis zu 7 konventionellen (Gas/Öl) eBUS Wärmeerzeugern gleicher Art und gleicher Leistung Kaskadenschaltung von bis zu 7 Wärmepumpen (flexoTHERM oder aroTHERM) gleicher Art und gleicher Leistung. Zusätzlich kann ein Zusatzheizgerät (eBUS Heizgerät) eingebunden werden. Ausstattung: - Adaptive Heizkurve - Raumaufschaltung zur Vorlauftemperaturanpassung - Wochenprogramm - TFT-Grafikdisplay (70 x 53 mm) - Zeitprogramm für Heizkreise, Speicherladekreis und Zirkulationskreis - Ferienprogramm - Lüftungsfunktion - Einmalige Speicherladung außerhalb der Zeitprogrammierung - Thermische Desinfektion - Legionellenschutzfunktion für bivalente Solarspeicher - Flexible Estrichtrocknungsfunktion - Grafische Solarertrags, Umweltertragsund Stromverbrauchsanzeige EEBus Ready (Internetmodul VR 921nötig)   Lieferumfang: 1x 0010030749 Heizungswärmepumpe, flexoCOMPACT exclusive VWF 58/4 1x 0020260914 Heizungsregler sensoCOMFORT VRC 720 1 HK, witterungsgeführt, Systemregler 1x 009642 Anlegethermostat VRC 9642 erforderlich bei Fußbodenheizung 1x 302098 Solar-System Solar- Ausdehnungsgefäß 25 L 1x 0020173592 Wandhalter Ausdehnungsgefäß Wandhalterung f.ADG, Kappenventil 3/4 1x 0020205412 Anschlusskonsole flexoCOMPACT mit integrierter Befüllstation Installation: Für die Installation dieses Gerätes ist ein 400V Starkstromanschluss (Drei-Phasen-Wechselanschluss) notwendig, die Montage (Wasser und Elektroinstallation) sowie die Erstinbetriebnahme und die Wartung dieses Gerätes dürfen nur von einer entsprechenden Fachkraft in Übereinstimmung mit den gültigen Vorschriften sowie entsprechend dieser Anweisung ausgeführt werden!  

9.942,71 €*
a+++
a+++ g
Datenblatt

Art.Nr.: 167464561

ca. 1 Woche

Daikin Altherma 3 Geo 6 kW H/C Sole Wärmepumpe 180 Liter Heizen Kühlen silber
Daikin Rotex Altherma 3 GEO 6 kW H/C, silber Sole-Wasser-Wärmepumpe, 180l Speicher Herstellerteilenummer: EGSAX06D9WG   Beschreibung: Die DAIKIN Altherma 3 GEO nutzt kostenlose Erdwärme (Geothermie) für die Wärmeversorgung, Kühlung und die Warmwasserbereitung für Ihr Haus. Mit einem COP von bis zu 4,7 ist die Sole-Wasser-Wärmepumpe sehr effizient. Dank einer hohen Wassertemperatur von 65 °C ist das Gerät für klassische Heizkörper oder auch mit Gebläsekonvektoren und Fußbodenleitungen kombinierbar. Die DAIKIN Altherma 3 GEO ist serienmäßig mit einer 7 kW aktiven Kühloption ausgestattet. In Verbindung mit einer Fußbodenheizung können Sie ohne weiteren Aufwand und zusätzliche Investitionen die Doppelfunktion für Heizen und Kühlen genießen. Dabei sind die Betriebskosten für diesen zusätzlichen Komfort gering. Die Wärmepumpeneinheit ist mit einem integrierten 180 Liter Edelstahl Warmwasserspeicher ausgestattet. Durch die kompakte Bauweise benötigt das System eine sehr geringe Stellfläche von lediglich 670 x 600 mm - das ist vergleichbar mit einer Waschmaschine. Mit einer Höhe von 1,89 m passt die Kombination aus Wärmepumpenmodul und Warmwasserspeicher in jeden Standardraum.  Moderne, anschlussfertige Sole-Wasser-Wärmepumpe 6 kW mit integriertem 180 l Warmwasserspeicher. Neu entwickelter Inverter speziell für das klimaschonende Kältemittel R-32,integrierte Kühlung Smartphone-Steuerung (integrierter Lan-Adapter) elegantes intuitiv bedienbares Display, herausnehmbares Kompressormodul integrierte 9 kW Elektrozusatzheizung, integriertes Sole-Ausdehnungsgefäß und Innenraumtemperaturfühler Datenübertragung für Inbetriebnahme und Aktualisierungen über SD-Karte und USB Stick, 39 db(A) im Flüsterbetrieb. Gewicht 210 kg Technische Daten: Energieeffizienzklasse Raumheizung: A++ Energieeffizienzklasse Raumheizung im Verbund mit integrierter Regelung: A+++ Energieeffizienzklasse Warmwasser (Zapfprofil): A (L) Max. Heizleistung: B0/W35: 6 kW COP B0/W35: 4,51 SEER: 15 Abmessungen (H x B x T): 1891x597x666 mm Gewicht: 222 kg Speicher: Edelstahl Speicher-Wasservolumen: 180 Liter Max. Speicherwasser-Temperatur: 70 C Kältemittel: R-32, GWP: 675 Nom. Schallleistungspegel: 39 dB(A) Betriebsbereich wasserseitig (Heizen): min. 5 C - max. 65 C Betriebsbereich wasserseitig (Warmwasser): min. 25 C - max. 65 C Strom: 50 Hz/230 V/1 phasig Stromsicherung: 16 A Leistung standby: 15 W Typ: DAIKIN Altherma 3 GEO H/C, 6 kW   Lieferumfang: Daikin Rotex Altherma 3 GEO 6 kW H/C, silber Sole-Wasser-Wärmepumpe, 180l Speicher EGSAX06D9WG Montage und Bedienungsanleitung Installation: Für die Installation dieses Gerätes ist ein 400V Starkstromanschluss (Drei-Phasen-Wechselanschluss) notwendig, die Montage (Wasser und Elektroinstallation) sowie die Erstinbetriebnahme und die Wartung dieses Gerätes dürfen nur von einer Elektrofachkraft in Übereinstimmung mit den gültigen Vorschriften sowie entsprechend dieser Anweisung ausgeführt werden!

9.955,42 €*
a++
a+++ d

Art.Nr.: 180363479

ca. 1-2 Wochen

Vaillant Heizungswärmepumpe flexoCOMPACT exclusive VWF 118 /4 Sole Erdwärme
Vaillant Heizungswärmepumpe flexoCOMPACT exclusive VWF 118 /4 mit Speicher 11,2 kW Artikelnummer: 0010030751  Beschreibung: Die neue Wärmepumpe flexoTHERM exclusive nutzt die in der Erde, der Luft und dem Wasser gespeicherte Sonnenenergie besonders effizient und ist daher mit unserem neuen Green iQ Label ausgezeichnet. Green iQ steht dabei für nachhaltige Technologien und vernetztes Denken Produktvorteile ausgezeichnet mit Green iQ serienmäßige Endkunden App für iPhone und Android Smartphones besonders leiser Betrieb der Wärmepumpe durch Sound Safe System 10 Jahre Kompressor-Materialgarantie Sensorgesteuerter Kältekreislauf mit EVI Technologie Integrierte aktive Kühlfunktion Serienmäßig integrierter Wärmemengenzähler und Stromzähler Ausstattung integrierter Anlaufstrombegrenzer Hocheffizienz-Pumpen in Heizungs- /Solekreislauf Motorumschaltventil Warmwasser Elektro Zusatzheizung 9kW, mehrstufig Sole-Sicherheitsventil im Lieferumfang Technische Daten: Heizleistung (B0W35) 11,2 kW Leistungszahl 5,0 Heizleistung (B0W55) 11,4 kW Leistungszahl 3, Inneneinheit: Netzspannung - Steuerkreis 1/N/PE 230 V/50 Hz - Kompressor 3/N/PE 400 V/50 Hz - Zusatzheizung 3/N/PE 400 V/50 Hz Anschlüsse - Heizungs-Vor-/Rücklauf G 1 1/2 - Solekreis-Vor-/Rücklauf G 1 1/2 - Kalt-/Warmwasser G 3/4 maximale Vorlauftemperatur: 65 Grd.C Warmwasserspeicherinhalt TW 185 l maximale Temperatur - mit Wärmepumpe 60 Grd.C - mit Wärmepumpe+Zusatzheizung 75 Grd.C Betriebsdruck max. 10 bar Höhe/Breite/Tiefe 1900/595/720 mm Gewicht 245 kg Schallleistungspegel 43 dB(A) Energieeffizienzklasse Heizung A++ (Spektrum A++ bis G) Energieeffizienzklasse Warmwasser A (Spektrum A bis G) Bestell-Nr. 0010030751 Elektroanschluss 3/N/PE~400 V Leistungsaufnahme 1.75 kW Anlaufstrom 19 A Wärmequelle Sole Heizleistung, A2/W35, B0/W35, W10/W35 11,2 kW Einsatzgrenze Wärmequelle -10 - 25 °C Max. Heizungsvorlauftemperatur 65 °C Anschluss Heizungs-Vor-/Rücklauf 1 1/2 Zoll außen Schallleistungspegel 43 dB(A) Aufstellungsort innen Leistungszahl 5.1 Heizwassertemperaturspreizung 5 K Energieeffizienzklasse A++ Schutzart (IP) IP10 Internetmodul Vaillant VR 921 sensoNET: Kostenfreie App-Bedienung bei zusätzlicher Verwendung des Reglers multiMATIC 700, sensoCOMFORT oder sensoDIRECT Ermöglicht den Zugang zum kostenlosen Vaillant Ferndiagnose Portal profiDIALOG für eBUS fähige Wärmeerzeuger ab 2007 EEBus Ready SSL Daten-Verschlüsselung und VDE Smart Home Sicherheits Zertifikat für eine sichere Internetkommunikation Schnelle Datenübertragung WiFi Ready (WLAN Chip integriert) oder LAN-Anschluss Funkchip 868 MHz integriert zur Ansteuerung der Einzelraumregelung ambiSENSE (AES-verschlüsselte Berechtigungsüberprüfung und VDE zertifiziert) Einfache Wandmontage Ausstattung App Funktionen: - Einstellung von Zeitfenstern für Heizung, Warmwasser, Zirkulation und Lüftung Einstellung von Bertriebsarten und Sollwerten Sonderfunktionen (Beispielweise Einen Tag außer Haus/ zu Hause, Stoßlüften, Abwesend bis) Systeminformationen (Systemdruck und Temperaturen) Anzeige Anlagenstatus und Fehlermeldungen Steuerung der Einzelraumregelung ambiSENSE In Verbindung mit Green iQ Produkten Stromverbrauchs-, Gasverbrauchs-, und Umweltertragsanzeige Systeminformationen der Photovoltaikanlage bei EEBus Anwendung mit SMA Sunny Home Manager 2.0 Einsatzmöglichkeit Rückwärtskompatibel mit allen Vaillant Wärmeerzeugern mit eBUS-Schnittstelle ab 2007 Kompatible Regler für das profiDIALOG Ferndiagnoseportal: alle eBUS Regler (calorMATIC 470/3, 470/4 630/3, auroMATIC 620/3, multiMATIC 700, sensoCOMFORT, sensoDIRECT) und integrierte Energiebilanzregler (VWS, VWL, VWW) - Die ambiSENSE Einzelraumregelung ist ohne Erweiterungsmodul, mit dem Erweiterungsmodul VR 70 oder VR 71 einsetzbar - ambiSENSE regelt den 1. Heizkreis (Radiatorenkreis) Hinweis: Nur für Wandmontage   Lieferumfang: Vaillant Heizungswärmepumpe flexoCOMPACT exclusive VWF 118 /4 mit Speicher 11,2 kW Vaillant Modul VR921 0020260962 Installations-Set Vaillant 90° für flexoTHERM Installation: Für die Installation dieses Gerätes ist ein 400V Starkstromanschluss (Drei-Phasen-Wechselanschluss) notwendig, die Montage (Wasser und Elektroinstallation) sowie die Erstinbetriebnahme und die Wartung dieses Gerätes dürfen nur von einer entsprechenden Fachkraft in Übereinstimmung mit den gültigen Vorschriften sowie entsprechend dieser Anweisung ausgeführt werden!

9.993,65 €*
a++
a+++ d

Art.Nr.: 163901666

3 Monate