Betriebsferien vom 22.12.2025 - 06.01.2026. Bestellungen werden erst ab dem 07.01.2026 ausgeliefert.

Türk Hillinger Elektroheizstab DN40 Typ EHK Heizstab Einschraubheizkörper 1 1/2"

Art.Nr.:
162773918
Herst.Nr.:
162773918
EAN: 123
Lieferzeit:

ca. 2-4 Werktage (Mo-Fr.)

ab 175,79 €*

inkl. 19% MwSt. zzgl. 0.00 € Versand

Produktinformationen "Türk Hillinger Elektroheizstab DN40 Typ EHK Heizstab Einschraubheizkörper 1 1/2""

Türk & Hillinger Einschraubheizkörper Typ EHK DN40 1 1/2" - Leistung: 2 - 15 kW

isolierte Ausführung

Beschreibung:

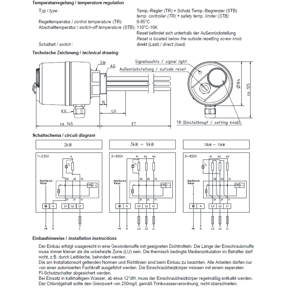
Der Einschraubheizkörper ist für geschlossene Wassererwärmungsanlagen mit einem Nenndruck bis 10 bar. Bei emaillierten oder beschichteten Behältern mit Schutzanode ist eine isolierte Ausführung einzusetzen. Der Heizkörper kann zur Erwärmung von Heizungs- und Trinkwasser in Pufferspeichern und Behälter mit oder ohne Opferanode eingesetzt werden. Der Einbau erfolgt waagerecht in eine Gewindemuffe mit geeigneten Dichtmitteln. Die Länge der Gewindemuffe muss immer kleiner als die unbeheizte Zone (LU) sein. Die thermisch bedingte Medienzirkulation im Behälter darf nicht, z.B. durch Leitbleche, behindert werden. Die Einschraubheizkörper müssen mit einem seperaten FI-Schutzschalter abgesichert werden. Bei Einsatz in kalkhaltigem Wasser, ab etwa 12°dH, muss der Einschraubheizkörper regelmäßig entkalkt werden. Der Chloridgehalt sollte den Grenzwert von 250mg/l, gemäß Trinkwasserverordnung, nicht überschreiten.

Die Heizstäbe von 2 bis 9 kW sind in Sternschaltung mit gemeinsamen Nullleiter ausgeführt und können deshalb in Verbindung mit einem Verbrauchsregler mit PV-Strom betrieben werden!

Technische Daten:

  • Elektro-Zusatz-Heizeinrichtungen mit Edelstahlheizstab
  • Zur Erwärmung von Brauch- und Heizungswasser
  • Mit Temperaturregler/-begrenzer Kombination und Betriebslampe
  • Anschlussgewinde: R 1 1/2" AG - DN40
  • Schraubkopf Schlüsselweite: SW60
  • Schraubkopf Material: Messing / brass - CuZn39Pb3
  • Schraubkopf Betriebsdruck: 10 bar
  • Heizkörper Mantelmaterial: 2.4858 - Alloy 825
  • Anschlussgehäuse Material: Polycarbonat / RAL7021
  • Elektrischer Anschluss: Schraubklemmen M20x1,5
  • max. Betriebsdruck: 10 bar
  • Schutzart: IP64
  • Einstellbreich: 5 - 85 °C
  • Ausschalttemperatur STB: 110 °C ( 0-9 K )
  • Einbausituation: waagerecht

* Bei Einsatz in kalkhaltigem Wasser müssen verkalkungsmindernde Maßnahmen, bzw. die Entkalkung der Heizwendel (erstmals nach 3 Monaten, danach in regelmäßigen Intervallen) durchgeführt werden. Kalk kann zur Auslösung des Sicherheitsbegrenzers, zur thermischen Zerstörung bzw. zu Lochfraßkorrosion der Heizwendel führen, d.h. Wegfall der Garantieleistung!

Lieferumfang:

  • gewählter Heizstab 1 1/2"
  • Montage- und Betriebsanleitung

Installation:

  • Die Installation dieses Gerätes ist ein 400V Starkstromanschluss (Drei-Phasen-Wechselanschluss) notwendig, die Montage (Wasser- und Elektroinstallation) sowie die Erstinbetriebnahme und die Wartung dieses Gerätes dürfen nur von einer Elektrofachkraft in Übereinstimmung mit den gültigen Vorschriften sowie entsprechend dieser Anweisung ausgeführt werden!
WEEE-Reg.-Nr.: DE 76901383

Allg. Sicherheitshinweise:

Zur Vermeidung von Körper- und Gesundheitsschäden sind die Montage, Erstinbetriebnahme, Inspektion, Wartung und Instandsetzung von autorisierten Fachkräften (Heizungs- / Sanitärfachbetrieb / Vertragsinstallationsunternehmen) vorzunehmen!

Bestimmungsgemäße Verwendung: Bitte beachten Sie die bei Installation und Montage beiliegende Installations-, Betriebs- und Wartungsanleitungen sowie Produkt-/Systemzulassungen aller Anlagenkomponenten. Bei Wärmeerzeugern ist es zum Beispiel regelmäßig der Fall, dass allein für diese Heizung zugelassene Abgastechnik zur Verwendung gelangen darf. Zur bestimmungsgemäßen Verwendung gehört gleichsam die Einhaltung der ebenfalls in o.g. Unterlagen enthaltenen Inspektions- und Wartungsbedingungen.

Elektrische Heizgeräte sowie Durchlauferhitzer mit Starkstromanschluß (400V) dürfen nur durch jeweiligen Netzbetreiber oder durch ein in das Installateurverzeichnis des Netzbetreibers eingetragenes Installationsunternehmen installiert werden!

Elektrogeräte mit Drei-Phasen-Wechselstrom-Anschluss (3~/400V) und "nicht-steckerfertigen Geräten" sind von einem Fachbetrieb zu installieren. Geräte mit einer Nennleistung von mehr als 12 kW müssen vor der Erstinstallation eine Zustimmung vom Netzbetrieber erhalten.

Installation, Inspektion, Wartung und Instandsetzung von Gasgeräten sowie Gaseinstellungen darf nur ein Fachhandwerker durchführen!

Herstellerinformationen

Türk+Hillinger GmbH
Föhrenstr. 20
78532 Tuttlingen
DE

Tel: +49 (0) 74 61-70 14 0
E-Mail: info@tuerk-hillinger.de
Art.Nr.:
162773918
Herst.Nr.:
162773918
EAN: 123
Lieferzeit:

ca. 2-4 Werktage (Mo-Fr.)

ab 175,79 €*

inkl. 19% MwSt. zzgl. 0.00 € Versand

Produktinformationen "Türk Hillinger Elektroheizstab DN40 Typ EHK Heizstab Einschraubheizkörper 1 1/2""

Türk & Hillinger Einschraubheizkörper Typ EHK DN40 1 1/2" - Leistung: 2 - 15 kW

isolierte Ausführung

Beschreibung:

Der Einschraubheizkörper ist für geschlossene Wassererwärmungsanlagen mit einem Nenndruck bis 10 bar. Bei emaillierten oder beschichteten Behältern mit Schutzanode ist eine isolierte Ausführung einzusetzen. Der Heizkörper kann zur Erwärmung von Heizungs- und Trinkwasser in Pufferspeichern und Behälter mit oder ohne Opferanode eingesetzt werden. Der Einbau erfolgt waagerecht in eine Gewindemuffe mit geeigneten Dichtmitteln. Die Länge der Gewindemuffe muss immer kleiner als die unbeheizte Zone (LU) sein. Die thermisch bedingte Medienzirkulation im Behälter darf nicht, z.B. durch Leitbleche, behindert werden. Die Einschraubheizkörper müssen mit einem seperaten FI-Schutzschalter abgesichert werden. Bei Einsatz in kalkhaltigem Wasser, ab etwa 12°dH, muss der Einschraubheizkörper regelmäßig entkalkt werden. Der Chloridgehalt sollte den Grenzwert von 250mg/l, gemäß Trinkwasserverordnung, nicht überschreiten.

Die Heizstäbe von 2 bis 9 kW sind in Sternschaltung mit gemeinsamen Nullleiter ausgeführt und können deshalb in Verbindung mit einem Verbrauchsregler mit PV-Strom betrieben werden!

Technische Daten:

  • Elektro-Zusatz-Heizeinrichtungen mit Edelstahlheizstab
  • Zur Erwärmung von Brauch- und Heizungswasser
  • Mit Temperaturregler/-begrenzer Kombination und Betriebslampe
  • Anschlussgewinde: R 1 1/2" AG - DN40
  • Schraubkopf Schlüsselweite: SW60
  • Schraubkopf Material: Messing / brass - CuZn39Pb3
  • Schraubkopf Betriebsdruck: 10 bar
  • Heizkörper Mantelmaterial: 2.4858 - Alloy 825
  • Anschlussgehäuse Material: Polycarbonat / RAL7021
  • Elektrischer Anschluss: Schraubklemmen M20x1,5
  • max. Betriebsdruck: 10 bar
  • Schutzart: IP64
  • Einstellbreich: 5 - 85 °C
  • Ausschalttemperatur STB: 110 °C ( 0-9 K )
  • Einbausituation: waagerecht

* Bei Einsatz in kalkhaltigem Wasser müssen verkalkungsmindernde Maßnahmen, bzw. die Entkalkung der Heizwendel (erstmals nach 3 Monaten, danach in regelmäßigen Intervallen) durchgeführt werden. Kalk kann zur Auslösung des Sicherheitsbegrenzers, zur thermischen Zerstörung bzw. zu Lochfraßkorrosion der Heizwendel führen, d.h. Wegfall der Garantieleistung!

Lieferumfang:

  • gewählter Heizstab 1 1/2"
  • Montage- und Betriebsanleitung

Installation:

  • Die Installation dieses Gerätes ist ein 400V Starkstromanschluss (Drei-Phasen-Wechselanschluss) notwendig, die Montage (Wasser- und Elektroinstallation) sowie die Erstinbetriebnahme und die Wartung dieses Gerätes dürfen nur von einer Elektrofachkraft in Übereinstimmung mit den gültigen Vorschriften sowie entsprechend dieser Anweisung ausgeführt werden!
WEEE-Reg.-Nr.: DE 76901383

Allg. Sicherheitshinweise:

Zur Vermeidung von Körper- und Gesundheitsschäden sind die Montage, Erstinbetriebnahme, Inspektion, Wartung und Instandsetzung von autorisierten Fachkräften (Heizungs- / Sanitärfachbetrieb / Vertragsinstallationsunternehmen) vorzunehmen!

Bestimmungsgemäße Verwendung: Bitte beachten Sie die bei Installation und Montage beiliegende Installations-, Betriebs- und Wartungsanleitungen sowie Produkt-/Systemzulassungen aller Anlagenkomponenten. Bei Wärmeerzeugern ist es zum Beispiel regelmäßig der Fall, dass allein für diese Heizung zugelassene Abgastechnik zur Verwendung gelangen darf. Zur bestimmungsgemäßen Verwendung gehört gleichsam die Einhaltung der ebenfalls in o.g. Unterlagen enthaltenen Inspektions- und Wartungsbedingungen.

Elektrische Heizgeräte sowie Durchlauferhitzer mit Starkstromanschluß (400V) dürfen nur durch jeweiligen Netzbetreiber oder durch ein in das Installateurverzeichnis des Netzbetreibers eingetragenes Installationsunternehmen installiert werden!

Elektrogeräte mit Drei-Phasen-Wechselstrom-Anschluss (3~/400V) und "nicht-steckerfertigen Geräten" sind von einem Fachbetrieb zu installieren. Geräte mit einer Nennleistung von mehr als 12 kW müssen vor der Erstinstallation eine Zustimmung vom Netzbetrieber erhalten.

Installation, Inspektion, Wartung und Instandsetzung von Gasgeräten sowie Gaseinstellungen darf nur ein Fachhandwerker durchführen!

Herstellerinformationen

Türk+Hillinger GmbH
Föhrenstr. 20
78532 Tuttlingen
DE

Tel: +49 (0) 74 61-70 14 0
E-Mail: info@tuerk-hillinger.de

Ähnliche Artikel

Kospel Elektroheizstab GRW 2,0 kW 230V DN 40 (11/2") für SE-140/SE-200
Kospel Elektroheizstab GRW 2,0 kW 230V DN 40 (11/2") Herstellerteilenummer: GRW-20 Beschreibung: Der Elektro-Heizstab GRW 2,0 kW / 230V für die Warmwasserbereitung über den zusätzlichen Flansch (Flanschdeckel mit Muffe im Zubehör). Mit 1 1/2" Gewinde und einer Betriebsspannung von 230V und 2 kW mit Regelthermostat sowie Sicherheitstemperaturbegrenzer. für den Elektrobetrieb eines SE-Warmwasserspeichers Größe: DN 40 (1 1/2“) Einstellbereich: 5-60 °C Empfohlene Speicher: SE-140/SE-200 Technische Daten: Marke: Kospel Typ: GRW 2,0 kW 230V Einbaulänge: 290 mm Betriebsspannung: 230 V Leistung: 2,0 kW Anschlussart: Schraubanschluss Anschluss 1: Außengewinde Anschlussmaß 1: 1 1/2 Zoll Nennspannung 1: 230 V Anzahl der Leistungsstufen: 1 Anschlussart: Schraubanschluss Eintauchtiefe: 290 mm Temperatureinstellung: 5-60 °C Sicherheitstemperaturbegrenzer: ja Max. Leistung: 2.000 W Lieferumfang: Kospel Elektroheizstab GRW 2,0 kW 230V

97,85 €*

Art.Nr.: 182154733

ca. 2-4 Werktage (Mo-Fr.)

Kospel Elektroheizstab GRW 3,0 kW 230V DN 40 (11/2") für SE-140/SE-200
Kospel Elektroheizstab GRW 3,0 kW 230V DN 40 (11/2") Herstellerteilenummer: GRW-30 Beschreibung: Der Elektro-Heizstab GRW 3,0 kW / 230V für die Warmwasserbereitung über den zusätzlichen Flansch (Flanschdeckel mit Muffe im Zubehör). Mit 1 1/2" Gewinde und einer Betriebsspannung von 230V und 3 kW mit Regelthermostat sowie Sicherheitstemperaturbegrenzer. für den Elektrobetrieb eines SE-Warmwasserspeichers Größe: DN 40 (1 1/2“) Einstellbereich: 5-60 °C Empfohlene Speicher: SE-140/SE-200 Technische Daten: Marke: Kospel Typ: GRW 3,0 kW 230V Einbaulänge: 350 mm Betriebsspannung: 230 V Leistung: 3,0 kW Anschlussart: Schraubanschluss Anschluss 1: Außengewinde Anschlussmaß 1: 1 1/2 Zoll Nennspannung 1: 230 V Anzahl der Leistungsstufen: 1 Anschlussart: Schraubanschluss Eintauchtiefe: 350 mm Temperatureinstellung: 5-60 °C Sicherheitstemperaturbegrenzer: ja Max. Leistung: 3.000 W Lieferumfang: Kospel Elektroheizstab GRW 3,0 kW 230V

114,28 €*

Art.Nr.: 182154745

ca. 2-4 Werktage (Mo-Fr.)

Novelan Durchlauferhitzer 6kW 1'' elektr. Heizstab Zweitwärmeerzeuger E60791402
Novelan Durchlauferhitzer 6kW 1", elektr. Heizstab als Zweitwärmeerzeuger Herstellerteilenummer: E60791402 Beschreibung: Ersatzteil Elektrisch isolierter 6 kW Heizstab zum Einsatz innerhalb der Hydraulikkomponente bzw. der Wärmepumpe.(ZWE, Zweitwärmeerzeuger) Verwendung: 103601CSD22 - LAD 5-CSD 103601HID22 - LAD 5-HID 103602CSD22 - LAD 7-CSD 103602HID22 - LAD 7-HID 103609CSD22 - LAD 9-CSD 103609HID22 - LAD 9-HID 150705K0341 - Hydraulikmodul 1E 150713K0341 - Compact Station Dual Lieferumfanh Novelan Durchlauferhitzer 6kW 1", elektr. Heizstab als Zweitwärmeerzeuger Installationshinweis:

212,77 €*

Art.Nr.: 183477188

ca. 1-2 Wochen

Riello Elektroheizstab für Warmwasser und Pufferspeicher 1,5 kW 230V DN40
Riello Elektro-Heizstab 1,5 kW 230V, DN 40 (11/2") Einbaulänge 341mm Hersteller Art-Nr.: 4383270 Beschreibung: Riello Elektro-Heizstab Passend für alle Riello Wärmepumpen Für den Einsatz im Warmwasser- oder Pufferspeicher Technische Daten: Zur Erwärmung für Warmwasser und Pufferspeicher Temperatureinstellung [°C]: 30 - 75 Anschluss: DN 40 (1 1/2“) Anschlussart: Schraubanschluss Eintauchtiefe [mm]: 341 mm Betriebsspannung [V]: 230 V Leistung [kW]: 1,5 KW Marke: Riello Anzahl der Leistungsstufen: 1 Anschlussart: Schraubanschluss Anschlussmaß: 1 1/2 Zoll Max. Leistung [W]: 1.500 Watt * Bei Einsatz in kalkhaltigem Wasser müssen verkalkungsmindernde Maßnahmen, bzw. die Entkalkung der Heizwendel (erstmals nach 3 Monaten, danach in regelmäßigen Intervallen) durchgeführt werden. Kalk kann zur Auslösung des Sicherheitsbegrenzers, zur thermischen Zerstörung bzw. zu Lochfraßkorrosion der Heizwendel führen, d.h. Wegfall der Garantieleistung! Lieferumfang: Riello Heizstab 1,5 KW Montage- und Betriebsanleitung Installation: Die Installation dieses Gerätes ist ein 400V Starkstromanschluss (Drei-Phasen-Wechselanschluss) notwendig, die Montage (Wasser- und Elektroinstallation) sowie die Erstinbetriebnahme und die Wartung dieses Gerätes dürfen nur von einer Elektrofachkraft in Übereinstimmung mit den gültigen Vorschriften sowie entsprechend dieser Anweisung ausgeführt werden!

226,30 €*

Art.Nr.: 180807212

ca. 2-4 Werktage (Mo-Fr.)

Durchlauferhitzer Askoflow DLE 530 mm V2A bis 4,5 KW, inkl. Isolierung 012-2533
Durchlauferhitzer ASKOFLOW, DLE 530-V2A bis 4,5 KW, inkl. Isolierung, R1" AG x 1 1/2" IG Herstellernummer: 012-2533 Beschreibung: Inkl. Isolierung Passende Einschraubheizkörper: ASKOHEAT Typ AHIR-B-C bis 4,5 kW (nicht im Lieferumfang enthalten) Zur Erwärmung von Heizungswasser bei Solar- bzw. Wärmepumpen und für den Einbau in Rohrsysteme Achtung bei Brauchwasser: Verkalkung (ortsabhängig) Technische Daten: Eingangsdruck: min. 0,1 bar, max. 6,0 bar Material Durchlauferhitzer: V2A 1.4301 Material Isolation: Neopor grau RG30 Dämmstärke: 20 mm Typ: DLE 530 Anschluss: DN 25 (1") AG Ausführung: bis 4,5 kW Einbaulänge [mm]: 530 Hersteller Art-Nr.: 012-2533 Marke: ASKOMA Lieferumfang: Durchlauferhitzer ASKOFLOW, DLE 530-V2A bis 4,5 KW, inkl. Isolierung, R1" AG x 1 1/2" IG Montage- und Betriebsanleitung

230,05 €*

Art.Nr.: 182827645

ca. 2-4 Werktage (Mo-Fr.)

TWL Elektroheizstab 2 bis 12 KW Heizstab Heizpatrone Pufferspeicher
Elektro-Heizstab für Trinkwasser- oder Pufferspeicher Beschreibung: Geeignet sowohl für Trinkwasser- oder Pufferspeicher 1 1/2" Außengewinde Material: Edelstahl 1.4876 (2.4858 bei 12 kW) Bis 8 kW mit Isoliertrennung 12 kW ohne Isoliertrennung Der isolierte Einbau unterbricht die elektrochemische Spannungsreihe Mit Thermostat und ST-Begrenzer Temperatur regelbar von 30°C bis 85°C (Toleranzbereich: +/- 7°C) Unbeheizter Bereich: 100 mm Beim 12 kW Heizstab empfehlen wir einen Leistungsquerschnitt von 2,5 mm² und eine Absicherung von 20 A nicht für den Dauerbetrieb geeignet Made in Germany Technische Daten: siehe Bilder Installation: Für die Installation einiger Varianten ist ein 400V Starkstromanschluss (Drei-Phasen-Wechselanschluss) notwendig, die Montage (Wasser- und Elektroinstallation) sowie die Erstinbetriebnahme und die Wartung dieses Gerätes dürfen nur von einer Elektrofachkraft in Übereinstimmung mit den gültigen Vorschriften sowie entsprechend dieser Anweisung ausgeführt werden! Für Schäden, die durch Kalkablagerungen am Heizstab oder unsachgemäßen Gebrauch entstehen, wird keine Gewährleistung übernommen! Lieferumfang: Gewählter Heizstab Einbau- und Betriebsanleitung

ab 203,63 €*

Art.Nr.: 125195147

ca. 2-4 Werktage (Mo-Fr.)

Novelan EHZ 60 Elektroheizstab 6,0 kW DN40 1 1/2 15008401 Calogen Tauchheizkörper
Calogen-Tauchheizkörper Novelan f.WW-Speicher 6.0kW Herstellerteilenummer: 15008401 Beschreibung: 6,0 kW Tauchheizkörper geeignet für Pufferspeicher: Unterstell-Pufferspeicher 140 Liter Trennpufferspeicher 200 Liter Trennpufferspeicher 200 Liter dampfdiffussionsdicht Trennpufferspeicher 500 Liter Trennpufferspeicher 500 Liter dampfdiffussionsdicht Trennpufferspeicher 800 Liter Trennpufferspeicher 1500 Liter Trennpufferspeicher 2000 Liter Solar-Trennpufferspeicher 800 Liter Multifunktionsspeicher 600 Liter Multifunktionsspeicher 800 Liter Multifunktionsspeicher 1000 Liter Elektro-Heizwasserdurchlauferhitzer. Technische Daten: Eintauchtiefe: ca. 500 mm Gewicht: ca. 1,25 kg Gewindeanschluss: DN40 1 1/2" Anschlussspannung: 3-/N/PE 400 V, 50 Hz Leistungsaufnahme: 6,0 kW Unbeheizte Länge ab Dichtfläche: 100 mm Temperaturregler einstellbar von +15 C bis +80 C Sicherheits- Temperaturbegrenzer fest eingestellt auf +95 C, mit Frostschutz Schutzart IP 44, mit Kunststoffabdeckklappe Lieferumfanh Calogen-Tauchheizkörper Novelan f.WW-Speicher 6.0kW Installationshinweis:

254,32 €*

Art.Nr.: 183477167

ca. 1 Woche

Novelan Durchlauferhitzer 9kW 1'' keramischen STB elektr. Heizstab E60791602
Novelan Durchlauferhitzer 9kW m. keramischen Sicherheitstemperaturbegrenzer Herstellerteilenummer: E60791602 Beschreibung: NOVELAN Durchlauferhitzer 9kW mit keramischen Sicherheitstemperaturbegrenzer. Elektrisch isolierter 9 kW Heizstab zum Einsatz innerhalb der Hydraulik-komponente bzw. der Wärmepumpe.(ZWE, Zweitwärmeerzeuger) Verwendung: WIC 16HXE 10348442 WIC 19HXE 10348542 WIC 22HXE 10353402 LI 18 10353502 LI 18L 10353602 LI 25.1 10353702 LI 25.1L 10354532 LA 18-WPR-Net 10354632 LA 18-WPR-Net 10354632 LA 25.1 103546WPR32 LA 25.1-WPR-Net 10364701 LI 16.1HV 10364801 LI 16.1HLV 10364901 LA 16.1HV 103649WR2101 LA 16.1HV-WR Lieferumfang Novelan Durchlauferhitzer 9kW m. keramischen Sicherheitstemperaturbegrenzer Installationshinweis:

266,03 €*

Art.Nr.: 183477196

ca. 1-2 Wochen

Türk Hillinger Elektroheizstab 3 bis 9 KW DN 32 1 1/4" Heizstab Heizpatrone
Heizstab / Einschraubheizkörper DN32 1 1/4" mit Temperaturregler von 3 - 9 kW Beschreibung: Der Einschraubheizkörper ist für geschlossene Wassererwärmungsanlagen mit einem Nenndruck bis 10 bar. Bei emaillierten oder beschichteten Behältern mit Schutzanode ist eine isolierte Ausführung einzusetzen. Merkmale: bestehend aus 3 Rohrheizkörper mit Fühlerschutzrohr Ausführung mit Anschlussgehäuse Ausführung mit Regler/Sicherheitstemperaturbegrenzer-Kombination Metallgewinde Technische Daten: Anschlussgewinde: R 1 1/4" AG Rundheizstab Brauchwasser: CrNi Stahl 1.4301 Rohrmantelwerkstoff: Nickel-Eisen-Chrom Legierung 2.4858 Oberflächenbelastung: 4,6 - 10,8 W/cm² Elektrischer Anschluss: Schraubklemmen M20x1,5 max. Betriebsdruck: 10 bar Gehäuse: Polycarbonat Schutzart: IP64 Einstellbreich: 5 - 85 °C Ausschalttemperatur STB: 110 °C ( 0-9 K ) Einbausituation: waagerecht für Dauerbetrieb geeignet Typ / Leistung / Anschluss / Einbaulänge EHS 3 / 3,0 kW / 400V / 260 mm EHS 4,5 / 4,5 kW / 400V / 360 mm EHS 6 / 6,0 kW / 400V / 480 mm EHS 7,5 / 7,5 kW / 400V / 550 mm EHS 9 / 9 kW / 400V / 660 mm * Bei Einsatz in kalkhaltigem Wasser müssen verkalkungsmindernde Maßnahmen, bzw. die Entkalkung der Heizwendel (erstmals nach 3 Monaten, danach in regelmäßigen Intervallen) durchgeführt werden. Kalk kann zur Auslösung des Sicherheitsbegrenzers, zur thermischen Zerstörung bzw. zu Lochfraßkorrosion der Heizwendel führen, d.h. Wegfall der Garantieleistung! Lieferumfang: gewählter Heizstab 1 1/4" Montage- und Betriebsanleitung Installation: Für die Installation dieses Gerätes ist ein 400V Starkstromanschluss (Drei-Phasen-Wechselanschluss) notwendig, die Montage (Wasser- und Elektroinstallation) sowie die Erstinbetriebnahme und die Wartung dieses Gerätes dürfen nur von einer Elektrofachkraft in Übereinstimmung mit den gültigen Vorschriften sowie entsprechend dieser Anweisung ausgeführt werden!

ab 219,75 €*

Art.Nr.: 132950852

ca. 2-4 Werktage (Mo-Fr.)

Durchlauferhitzer Askoflow DLE 740 mm V2A bis 7,5 KW, inkl. Isolierung 012-2535
Durchlauferhitzer Askoflow, DLE 740 - V2A bis 7,5 KW, inkl. Isolierung, R1 1/4"AGx1 1/2"IG Herstellernummer: 012-2535 Beschreibung: Inkl. Isolierung Passende Einschraubheizkörper: ASKOHEAT Typ AHIR-B-C von 2,0-7,5 kW (nicht im Lieferumfang enthalten) Zur Erwärmung von Heizungswasser bei Solar- bzw. Wärmepumpen und für den Einbau in Rohrsysteme Achtung bei Brauchwasser: Verkalkung (ortsabhängig) Technische Daten: Eingangsdruck: min. 0,1 bar, max. 6,0 bar Material Durchlauferhitzer: V2A 1.4301 Material Isolation: Neopor grau RG30 Dämmstärke: 20 mm Typ: DLE 740 Anschluss: DN 32 (1¼") AG Ausführung: bis 7,5 kW Einbaulänge [mm]: 740 Hersteller Art-Nr.: 012-2535 Marke: ASKOMA Lieferumfang: Durchlauferhitzer Askoflow, DLE 740 - V2A bis 7,5 KW, inkl. Isolierung, R1 1/4"AGx1 1/2"IG Montage- und Betriebsanleitung

295,30 €*

Art.Nr.: 182827575

ca. 2-4 Werktage (Mo-Fr.)

comfort Elektroheizstab Heizstab Heizpatrone DN 40 1 1/2" Elektroheizelement
Elektroheizeinsatz Comfort by Sanibel mit Regler und Begrenzer 6,0 kW DN 40 (1 1/2") Herstellerteilenummer: 61 05 471   Lieferumfang: comfort-Elektroheizeinsatz mit Regler und Begrenzer inkl. Dichtung Gewinde DN 40 (11/2\") AG Leistung: 6,0 kW Eintauchtiefe: 450 mm Spannung: 400 V Modell: comfort comfort-Nr.: 61 05 471 Installation: Für die Installation/Montage (Wasser und Elektroinstallation) sowie die Erstinbetriebnahme und die Wartung dieses Gerätes dürfen nur von einer Elektrofachkraft in Übereinstimmung mit den gültigen Vorschriften sowie entsprechend dieser Anweisung ausgeführt werden!

310,48 €*

Art.Nr.: 177047845

ca. 2-4 Werktage (Mo-Fr.)

Kospel Elektroheizstab GRW 6,0 kW 400V DN 40 (11/2") für SE-250/SE-30
Kospel Elektroheizstab GRW 6,0 kW 400V DN 40 (11/2") Herstellerteilenummer: GRW-60 Beschreibung: Der Elektro-Heizstab GRW 6,0 kW / 400V für die Warmwasserbereitung über den zusätzlichen Flansch (Flanschdeckel mit Muffe im Zubehör). Mit 1 1/2" Gewinde und einer Betriebsspannung von 400V und 6 kW mit Regelthermostat sowie Sicherheitstemperaturbegrenzer. für den Elektrobetrieb eines SE-Warmwasserspeichers Größe: DN 40 (1 1/2“) Einstellbereich: 6-75 °C Empfohlene Speicher: SE-250/SE-300 Technische Daten: Marke: Kospel Typ: GRW 6,0 kW 400V Einbaulänge: 460 mm Betriebsspannung: 400 V Leistung: 6,0 kW Anschlussart: Schraubanschluss Anschluss 1: Außengewinde Anschlussmaß 1: 1 1/2 Zoll Nennspannung 1: 400 V Anzahl der Leistungsstufen: 1 Anschlussart: Schraubanschluss Eintauchtiefe: 460 mm Temperatureinstellung: 6-75 °C Sicherheitstemperaturbegrenzer: ja Max. Leistung: 6.000 W Lieferumfang: Kospel Elektroheizstab GRW 6,0 kW 400V Installationshinweis: Montage (Wasser und Elektroinstallation) sowie die Erstinbetriebnahme und die Wartung dieses Gerätes dürfen nur von einer entsprechenden Fachkraft in Übereinstimmung mit den gültigen Vorschriften sowie entsprechend dieser Anweisung ausgeführt werden!

318,86 €*

Art.Nr.: 182154621

ca. 2-4 Werktage (Mo-Fr.)