Betriebsferien vom 22.12.2025 - 06.01.2026. Bestellungen werden erst ab dem 07.01.2026 ausgeliefert.

Weishaupt Trinkwasserwärmepumpe Typ WWP T 300 WA mit 1,5 kW Solar WT

Art.Nr.:
150600019
Herst.Nr.:
51141001
EAN: 7426836099019
Lieferzeit:

ca. 1 Woche

EEK Spektrum: A+ -> F
EEK: a+
a+
a+ f
Datenblatt
Versandkostenfrei

4.373,80 €*

inkl. 19% MwSt. zzgl. 0.00 € Versand

Produktinformationen "Weishaupt Trinkwasserwärmepumpe Typ WWP T 300 WA mit 1,5 kW Solar WT"

Weishaupt Trinkwasserwärmepumpe Typ WWP T 300 WA

Herstellernummer: 51141001

Beschreibung:

Trinkwasser-Wärmepumpe mit integriertem Speicher zur Erwärmung von Brauchwarmwasser. Ansprechendes Design mit hochwertiger Aluminium-Designblende. Elektronische Regelung mit LC Display und umfangreichen Regelungsfunktionen (z. B. Zeitprogramme,SG Ready). Für die optimale Nutzung von selbsterzeugten Strom bzw. lastvariablen Tarifen sind drei unterschiedliche Warmwassertemperaturen einstellbar. Anbindung an übergeordnete Gebäudeleitsysteme (Smart Grid) möglich.

Benutzerfreundliche Bedienung über Klartext-Menü. Seitliche Zu- und Abluft-Stutzen, zur vereinfachten Aufstellung bei geringen Raumhöhen (Mindesthöhe Aufstellraum 2,10 m). Luftkanalsystem (45*-, 90*-Bogen oder gerader Luftkanal, max. Rohrkanallänge 10 m) optional anschließbar, um Abluft bzw. Abwärme aus angrenzenden Räumen zu nutzen. Hochwertige Speicherdämmung für geringe Standverluste. Speicherbehälter aus Stahl, emailliert nach DIN 4753, Schutzanode gegen Korrosion.

Technische Daten:

  • Aufstellung: innen
  • Farbe: weiß
  • Inhalt: Trinkwasser 300 Liter / Heizwasser 8 Liter
  • Temperatur im Betrieb: - 8°C bis +35°C
  • Luftvolumenstrom: 540 m3
  • Mindestvolumenstrom: 6 m3
  • Nennwärmeleistung: 1,5 kW
  • Leistungszahl (COP): 3,6 nach EN 16147 (A15/W10-55°C, Zapfprofil XL)
  • Schallleistungspegel 60 db(A)
  • Schalldruckpegel 52 db(A) (in 1 Meter Entfernung)
  • Kältemittel R134a: 1,3 kg
  • Leergewicht: 160 kg
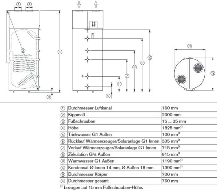
  • Höhe: 1828 mm
  • Kippmaß: 2000 mm
  • Durchmesser: 760 mm
  • Betriebsdruck Trinkwasser: max. 10 bar
  • Glattrohr-Wärmetauscher: max. 10 bar
  • Stromaufnahme gesamt max. 10,4 A
  • Sicherung extern B16A Abtauung / Abtauart: Kreislaufumkehr
  • Energieeffizienzkennzeichnung:
  • Energieeffizienzklasse: A+
  • Warmhalteverluste: 91,1 W
  • Speichervolumen: 298 l

Lieferumfang:

  • Weishaupt Trinkwasserwärmepumpe Typ WWP T 300 WA
  • Montage und Betriebsanleitung
WEEE-Reg.-Nr.: DE98383902

Allg. Sicherheitshinweise:

Zur Vermeidung von Körper- und Gesundheitsschäden sind die Montage, Erstinbetriebnahme, Inspektion, Wartung und Instandsetzung von autorisierten Fachkräften (Heizungs- / Sanitärfachbetrieb / Vertragsinstallationsunternehmen) vorzunehmen!

Bestimmungsgemäße Verwendung: Bitte beachten Sie die bei Installation und Montage beiliegende Installations-, Betriebs- und Wartungsanleitungen sowie Produkt-/Systemzulassungen aller Anlagenkomponenten. Bei Wärmeerzeugern ist es zum Beispiel regelmäßig der Fall, dass allein für diese Heizung zugelassene Abgastechnik zur Verwendung gelangen darf. Zur bestimmungsgemäßen Verwendung gehört gleichsam die Einhaltung der ebenfalls in o.g. Unterlagen enthaltenen Inspektions- und Wartungsbedingungen.

Elektrische Heizgeräte sowie Durchlauferhitzer mit Starkstromanschluß (400V) dürfen nur durch jeweiligen Netzbetreiber oder durch ein in das Installateurverzeichnis des Netzbetreibers eingetragenes Installationsunternehmen installiert werden!

Elektrogeräte mit Drei-Phasen-Wechselstrom-Anschluss (3~/400V) und "nicht-steckerfertigen Geräten" sind von einem Fachbetrieb zu installieren. Geräte mit einer Nennleistung von mehr als 12 kW müssen vor der Erstinstallation eine Zustimmung vom Netzbetrieber erhalten.

Installation, Inspektion, Wartung und Instandsetzung von Gasgeräten sowie Gaseinstellungen darf nur ein Fachhandwerker durchführen!

Herstellerinformationen

Max Weishaupt AG
Max-Weishaupt-Straße 14
88477 Schwendi
DE

Tel: +497353830
E-Mail: info@weishaupt.de
Art.Nr.:
150600019
Herst.Nr.:
51141001
EAN: 7426836099019
Lieferzeit:

ca. 1 Woche

EEK Spektrum: A+ -> F
EEK: a+
a+
a+ f
Datenblatt
Versandkostenfrei

4.373,80 €*

inkl. 19% MwSt. zzgl. 0.00 € Versand

Produktinformationen "Weishaupt Trinkwasserwärmepumpe Typ WWP T 300 WA mit 1,5 kW Solar WT"

Weishaupt Trinkwasserwärmepumpe Typ WWP T 300 WA

Herstellernummer: 51141001

Beschreibung:

Trinkwasser-Wärmepumpe mit integriertem Speicher zur Erwärmung von Brauchwarmwasser. Ansprechendes Design mit hochwertiger Aluminium-Designblende. Elektronische Regelung mit LC Display und umfangreichen Regelungsfunktionen (z. B. Zeitprogramme,SG Ready). Für die optimale Nutzung von selbsterzeugten Strom bzw. lastvariablen Tarifen sind drei unterschiedliche Warmwassertemperaturen einstellbar. Anbindung an übergeordnete Gebäudeleitsysteme (Smart Grid) möglich.

Benutzerfreundliche Bedienung über Klartext-Menü. Seitliche Zu- und Abluft-Stutzen, zur vereinfachten Aufstellung bei geringen Raumhöhen (Mindesthöhe Aufstellraum 2,10 m). Luftkanalsystem (45*-, 90*-Bogen oder gerader Luftkanal, max. Rohrkanallänge 10 m) optional anschließbar, um Abluft bzw. Abwärme aus angrenzenden Räumen zu nutzen. Hochwertige Speicherdämmung für geringe Standverluste. Speicherbehälter aus Stahl, emailliert nach DIN 4753, Schutzanode gegen Korrosion.

Technische Daten:

  • Aufstellung: innen
  • Farbe: weiß
  • Inhalt: Trinkwasser 300 Liter / Heizwasser 8 Liter
  • Temperatur im Betrieb: - 8°C bis +35°C
  • Luftvolumenstrom: 540 m3
  • Mindestvolumenstrom: 6 m3
  • Nennwärmeleistung: 1,5 kW
  • Leistungszahl (COP): 3,6 nach EN 16147 (A15/W10-55°C, Zapfprofil XL)
  • Schallleistungspegel 60 db(A)
  • Schalldruckpegel 52 db(A) (in 1 Meter Entfernung)
  • Kältemittel R134a: 1,3 kg
  • Leergewicht: 160 kg
  • Höhe: 1828 mm
  • Kippmaß: 2000 mm
  • Durchmesser: 760 mm
  • Betriebsdruck Trinkwasser: max. 10 bar
  • Glattrohr-Wärmetauscher: max. 10 bar
  • Stromaufnahme gesamt max. 10,4 A
  • Sicherung extern B16A Abtauung / Abtauart: Kreislaufumkehr
  • Energieeffizienzkennzeichnung:
  • Energieeffizienzklasse: A+
  • Warmhalteverluste: 91,1 W
  • Speichervolumen: 298 l

Lieferumfang:

  • Weishaupt Trinkwasserwärmepumpe Typ WWP T 300 WA
  • Montage und Betriebsanleitung
WEEE-Reg.-Nr.: DE98383902

Allg. Sicherheitshinweise:

Zur Vermeidung von Körper- und Gesundheitsschäden sind die Montage, Erstinbetriebnahme, Inspektion, Wartung und Instandsetzung von autorisierten Fachkräften (Heizungs- / Sanitärfachbetrieb / Vertragsinstallationsunternehmen) vorzunehmen!

Bestimmungsgemäße Verwendung: Bitte beachten Sie die bei Installation und Montage beiliegende Installations-, Betriebs- und Wartungsanleitungen sowie Produkt-/Systemzulassungen aller Anlagenkomponenten. Bei Wärmeerzeugern ist es zum Beispiel regelmäßig der Fall, dass allein für diese Heizung zugelassene Abgastechnik zur Verwendung gelangen darf. Zur bestimmungsgemäßen Verwendung gehört gleichsam die Einhaltung der ebenfalls in o.g. Unterlagen enthaltenen Inspektions- und Wartungsbedingungen.

Elektrische Heizgeräte sowie Durchlauferhitzer mit Starkstromanschluß (400V) dürfen nur durch jeweiligen Netzbetreiber oder durch ein in das Installateurverzeichnis des Netzbetreibers eingetragenes Installationsunternehmen installiert werden!

Elektrogeräte mit Drei-Phasen-Wechselstrom-Anschluss (3~/400V) und "nicht-steckerfertigen Geräten" sind von einem Fachbetrieb zu installieren. Geräte mit einer Nennleistung von mehr als 12 kW müssen vor der Erstinstallation eine Zustimmung vom Netzbetrieber erhalten.

Installation, Inspektion, Wartung und Instandsetzung von Gasgeräten sowie Gaseinstellungen darf nur ein Fachhandwerker durchführen!

Herstellerinformationen

Max Weishaupt AG
Max-Weishaupt-Straße 14
88477 Schwendi
DE

Tel: +497353830
E-Mail: info@weishaupt.de

Ähnliche Artikel

Sold Out
Austria Email Brauchwasser-Wärmepumpe CALYPSO VM2 (R 290) 100l Trinkwasserwärmepumpe
Austria Email Brauchwasser-Wärmepumpe CALYPSO VM2 (R 290) 100l Hersteller: 974053 Beschreibung: CALYPSO VM2 ist eine hocheffiziente Brauchwasserwärmepumpe für die Wandmontage. Diese platzsparende Wandlösung wurde als energieeffizienter Ersatz für klassische elektrische Warmwasserbereiter konzipiert. Die Wandmontage, die kurze Aufheizzeit und die intelligente Steuerung garantieren höchsten Komfort. • Wandhängend • Besonders gut geeignet als Ersatz für herkömmliche wandhängende Elektrospeicher • Integrierter Edelstahl Zusatzheizstab 1,2 kW • Umweltfreundliches Kältemittel R290 (Propan) • Emaillierter Stahlspeicher • Korrosionsschutz durch ACI Fremdstromanode • Ohne Zirkulationsanschluss • Rekordverdächtig leise: 38 dBA für mehr Komfort • Steckerfertig • Wartungsfreie ACI Hybrid Fremdstromanode • Nur 1 Stunde Standzeit nach Transport notwendig • 5 Jahre Herstellergarantie, auch auf den Kältekreis • Direkte Steuerung über die Cozytouch App – keine zusätzliche Bridge mehr notwendig • Smartregelung am „water-drop-Display“ - Smart PV-Control (intelligente PV-Boost Funktion mit zwei Schnittstellen) - Smart Auto Control (selbstlernende Optimaltemperatur je nach individuellem Nutzerprofil) - Smart Control (Auswahl der wirtschaftlichsten Energiequelle) - Smart Energy Control (genaue Energieverbrauchsanzeige) - Smart Remote Control (I/O Home Control zur Steuerung über Smartphone/Tablet optional) Technische Daten: Typ: VM2 100 Inhalt: 100L COP nach EN16147 (A7): 2,71 COP nach EN16147 (A14): 3,23 li>COP nach EN16147 (A20): 3,1,8 Schallleistung dB(A): 38 Wasseranschluss: DN 20 (3/4") Lufttemperatur obere Einsatzgrenze: 43 °C Lufttemperatur untere Einsatzgrenze: 5 °C Elektrischer Anschluss 230 V / 50 Hz 16 A Max. Leistungsaufnahme WP: 300 W Max. Wassertemperatur: 62 °C Betriebsdruck max.: 8 bar Kältemittel / Füllmenge: R290 / 0,135 kg Zapfprofil: M Leistung el. Zusatzheizung: 1,2 kW Energieeffizienzklasse: A+ EEK Spektrum: A+ bis F Höhe: 1054 mm Breite: 576 mm Tiefe: 588 mm Gewicht: 57 kg Lieferumfang: Austria Email Brauchwasser-Wärmepumpe CALYPSO VM2 100 Montage- und Bedienungsanleitung

1.823,53 €*
a+
a+ f
Datenblatt

Art.Nr.: 157918888

ca. 1-2 Wochen

Luft/Wasser Wärmepumpe Gelbi D 4.1 (C) 2,57 kW zur Warmwasserbereitung
Luft/Wasser-Wärmepumpe Gelbi D 4.1 (C) - 2,57 kW ausschließlich zur Warmwasserbereitung Artikelnummer: 420000034 + 690800012 Beschreibung: Die Luft-Wasser Wärmepumpe GELBI D4.1(C) ist ein Gerät für die Warmwasserbereitung. In der Wärmepumpe ist ein Rotationskompressor eingebaut der für hohe Verflüssigungstemperaturen (d.h. hohe Temperaturen der Brauchwassererwärmung) optimiert wurde. Der Luftstrom durch den Lamellen Wärmetauscher wird durch den modernen, effizienten und energiesparende Ventilator erzwungen. Die Warmwasserbereitung erfolgt in einem Plattenwärmetauscher aus Edelstahl, der Wasserkreislauf wird durch die installierte Umwälzpumpe erzwungen - auch geeignet, um direkt mit Brauchwasser zu arbeiten. Ein Regler mit einem für das Design der Wärmepumpe GELBI D4.1(C) optimierten Algorithmus sorgt für den korrekten Betrieb der Wärmepumpe. Das Gehäuse ist aus ABS-Kunststoff gefertigt. Alle der oben genannten Funktionen / Komponenten bilden eine hohe Qualität und Effizienz der Wärmepumpe. Die Wärmepumpe GELBI D4.1(C) sollte in einem Raum installiert werden, in dem die Lufttemperatur nicht unter +5°C fällt. Ideal zum Nachrüsten oder Ergänzung von bestehenden Warmwasserbereitern Einfache und schnelle Montage (innen) und Inbetriebnahme durch Monoblock-Bauweise Regelung mit Touchscreen-Oberfläche Mit hocheffizientem Rotationswärmetauscher Energiesparender Radialventilator

ab 93,92 €*
a+
a+ f
Datenblatt

Art.Nr.: 159267113

ca. 1 Woche

Austria Email Brauchwasser-Wärmepumpe CALYPSO VM2 (R 290) 150l Trinkwasserwärmepumpe
Austria Email Brauchwasser-Wärmepumpe CALYPSO VM2 (R 290) 150l Hersteller: 974045 Beschreibung: CALYPSO VM2 ist eine hocheffiziente Brauchwasserwärmepumpe für die Wandmontage. Diese platzsparende Wandlösung wurde als energieeffizienter Ersatz für klassische elektrische Warmwasserbereiter konzipiert. Die Wandmontage, die kurze Aufheizzeit und die intelligente Steuerung garantieren höchsten Komfort. • Wandhängend • Besonders gut geeignet als Ersatz für herkömmliche wandhängende Elektrospeicher • Integrierter Edelstahl Zusatzheizstab 1,2 kW • Umweltfreundliches Kältemittel R290 (Propan) • Emaillierter Stahlspeicher • Korrosionsschutz durch ACI Fremdstromanode • Ohne Zirkulationsanschluss • Rekordverdächtig leise: 38 dBA für mehr Komfort • Steckerfertig • Wartungsfreie ACI Hybrid Fremdstromanode • Nur 1 Stunde Standzeit nach Transport notwendig • 5 Jahre Herstellergarantie, auch auf den Kältekreis • Direkte Steuerung über die Cozytouch App – keine zusätzliche Bridge mehr notwendig • Smartregelung am „water-drop-Display“ - Smart PV-Control (intelligente PV-Boost Funktion mit zwei Schnittstellen) - Smart Auto Control (selbstlernende Optimaltemperatur je nach individuellem Nutzerprofil) - Smart Control (Auswahl der wirtschaftlichsten Energiequelle) - Smart Energy Control (genaue Energieverbrauchsanzeige) - Smart Remote Control (I/O Home Control zur Steuerung über Smartphone/Tablet optional) Technische Daten: Typ: VM2 150 Inhalt: 150L COP nach EN16147 (A7): 3,19 COP nach EN16147 (A14): 3,80 COP nach EN16147 (A20): 3,82 Schallleistung dB(A): 38 Wasseranschluss: DN 20 (3/4") Lufttemperatur obere Einsatzgrenze: 43 °C Lufttemperatur untere Einsatzgrenze: 5 °C Elektrischer Anschluss 230 V / 50 Hz 16 A Max. Leistungsaufnahme WP: 300 W Max. Wassertemperatur: 62 °C Betriebsdruck max.: 8 bar Kältemittel / Füllmenge: R290 / 0,145 kg Zapfprofil: L Leistung el. Zusatzheizung: 1,2 kW Energieeffizienzklasse: A+ EEK Spektrum: A+ bis F Höhe: 1304 mm Breite: 576 mm Tiefe: 588 mm Gewicht: 61 kg Lieferumfang: Austria Email Brauchwasser-Wärmepumpe CALYPSO VM2 150 Montage- und Bedienungsanleitung

1.932,32 €*
a+
a+ f
Datenblatt

Art.Nr.: 157919091

ca. 1-2 Wochen

KERMI Trinkwasserwärmepumpe x-change aqua eco L W20519 R290 Brauchwasser WP
KERMI x-change aqua eco L Trinkwasserwärmepumpe, R290 150g Hersteller: W20519 Beschreibung: Kermi® x-change® aqua eco L Trinkwasserwärmepumpe, R290 150g Die x-change aqua eco Warmwasser-Wärmepumpe mit natürlichem Kältemittel nutzt die Luft (Raum-, Ab- oder Außenluft) in einem Temperaturbereich von -7 bis 43°C um das Trinkwasser auf bis zu 65°C im Wärmepumpenbetrieb zu erwärmen. Durch den integrierten Einschraubheizkörper und der Abtaufunktion ist ein ganzjähriger effizienter Betrieb sichergestellt. Die einfache Regelung mit Smart Grid und Photovoltaik Eingang sorgt mit der Modbus Schnittstelle für viele Anwendungsmöglichkeiten. Die geringen Schallemissionen in Verbindung mit der einfachen Wartung (Fremdstromanode) und dem ansprechenden Design stellen ein sehr gutes Gesamtpaket dar. Technische Daten: Leistungsdaten nach EN 16147: Zapfprofil: L Leistungszahl (COP) A20/W10-53: 3,91 Leistungszahl (COP) A15/W10-53: 3,56 Leistungszahl (COP) A7/W10-53: 2,82 Energieeffizienzklasse (EU-Verordnung Nr. 812/2013): A+ Nenninhalt: 185 Liter Höhe: 1.730mm Durchmesser: 595mm Luft Einlass/Auslass: oben Gewicht: 91kg Schallleistungspegel: 56 dB(A) Nennwärmeleistung Verdichter: 1.100 W Leistungsaufnahme Verdichter max.: 600 W Einschraubheizkörper: 1.640 W Gesamtanschlusswert: 2.240 W (230V, 50Hz) Betriebsdruck Wassereingang: max. 7 bar Betriebsdruck: max. 8bar (Sicherheitsventil) Kältemitteltyp/-menge: R290 - 0,15kg Warmwassertemperatur Wärmepumpe: bis zu 65°C Warmwassertemperatur mit Zusatzheizung: 70°C Einsatzbereich Energiequelle: -7 bis +43 Grad C Lieferumfang: Kermi x-Change 300 A I Trinkwasserwärmepumpe Montage- und Betriebsanleitung

1.995,93 €*

Art.Nr.: 145180123

ca. 4 Wochen

Wärmepumpe Gelbi D 4.2 (C) 4,7 kW Trinkwasser & Heizungsunterstützung
Luft/Wasser-Wärmepumpe Gelbi D 4.2 (C) für Heizungsunterstützung und Trinkwasseraufbereitung Artikelnummer: 420000035 + 690800012 Beschreibung: Die Luft-Wasser Wärmepumpe GELBI D4.2(C) ist ein Gerät für die Warmwasserbereitung. In der Wärmepumpe ist ein Rotationskompressor eingebaut der für hohe Verflüssigungstemperaturen (d.h. hohe Temperaturen der Brauchwassererwärmung) optimiert wurde. Der Luftstrom durch den Lamellen Wärmetauscher wird durch den modernen, effizienten und energiesparende Ventilator erzwungen. Die Warmwasserbereitung erfolgt in einem Plattenwärmetauscher aus Edelstahl, der Wasserkreislauf wird durch die installierte Umwälzpumpe erzwungen - auch geeignet, um direkt mit Brauchwasser zu arbeiten. Ein Regler mit einem für das Design der Wärmepumpe GELBI D4.2(C) optimierten Algorithmus sorgt für den korrekten Betrieb der Wärmepumpe. Das Gehäuse ist aus ABS-Kunststoff gefertigt. Alle der oben genannten Funktionen / Komponenten bilden eine hohe Qualität und Effizienz der Wärmepumpe. Zur Warmwasserbereitung und Heizungsergänzung (Brauchwasservorrang-Schaltung). Möglichkeit zur Ansteuerung eines 3-Wege Umschaltventils mit Pufferfühler. Kompakte Wärmepumpe für die Warmwasserbereitung oder als Zusatzheizung für das Heizungssystem Ideal zum Nachrüsten oder Ergänzung von bestehenden Warmwasserbereitern Einfache und schnelle Montage durch Monoblock-Bauweise Regelung mit Touchscreen-Oberfläche Mit hocheffizientem Rotationswärmetauscher Energiesparender Radialventilator Außenfühler in der Luftansaugung Mit integrierter Umwälzpumpe zur Speicher bzw. Pufferbeladung Tages- und Wochenprogramm Antilegionellen-Funktion Smartgrid-Schnittstelle für PV-Anlagen Ansteuerung eines Elektro-Heizstabes und einer Zirkulationspumpe Montage an der Wand durch Wandmontagebügel (Zubehör) 2,2 m Kabel mit Schukostecker Technische Daten Gelbi D4.2 (C): Typenbezeichnung Gelbi D4.2 (C) Art-Nr.: 420000035 Digital mit LDC Anzeige EEK Spektrum Warmwasserbereitung A+ bis F Energieeffizienzklasse: A+ Heizleistung [kW]: 4,7 COP nach EN16147 - bei A35/W10-45-6 - bei A15/W10-55 -3,4 Zapfprofil: XL Kältemittel/Füllmenge [--/kg]: R134a/0,8 Schallleistungspegel [dBA]: 59 Wassertemperatur max.[°C]: 65 Luftvolumenstrom[m³/h]: 720 Maße (ø x H) [mm] ø 670 x 583 ø Anschluss Luftstutzen[mm]: 250 Die Installation von isolierten Luftkanälen wird empfohlen max. Länge der Luftkanäle: 8 m ABS-Kunststoff Montage an der Wand (Wandmontage-Rahmen optional) /li> Betriebsspannung: 1~230V/50 Hz Gewicht [kg] : 50 Technische Daten Wandhalterung:  Material: Stahl, lackiert Gewicht: 5 kg Hersteller Art-Nr.: 690800012 Lieferumfang: Auswahl 1: Wandhalterung für Wärmepumpe Gelbi 4.. Auswahl 2: Luft/Wasser-Wärmepumpe Gelbi 4.2 (C) Auswahl 3: Luft/Wasser-Wärmepumpe Gelbi 4.2 (C) + Wandhalterung Vorsichtsmaßnahmen bei der Installation des Gerätes Die Wärmepumpe GELBI D4.2(C) sollte in einem Raum installiert werden, in dem die Lufttemperatur nicht unter +5°C fällt. Wenn die Gefahr besteht, dass die Temperatur unter +5°C fällt, muss der Wasserkreislauf zwischen der Wärmepumpe und dem Speicher entleert und das System gut durchgeblasen werden, z.B. mit Druckluft. Die Installation der Wärmepumpe sollte durch eine Person mit entsprechenden Qualifikationen im Bereichen der Heizung und Kältetechnik durchgeführt werden. Bei der Installation sind die nationalen Gesundheits- und Sicherheitsvorschriften zu beachten.

ab 93,92 €*
a+
a+ f
Datenblatt

Art.Nr.: 159265516

ca. 1 Woche

Buderus Logatherm WPT200.4 A Warmwasser Wärmepumpe 7738340432
Buderus Warmwasser Wärmepumpe Logatherm WPT200.4 AS - ohne Wärmetauscher Herstellerteilenummer: 7738340432 BBeschreibung: Wärmepumpe Logatherm WPT 200.4 A für die Warmwasserbereitung, mit effizienter Stromnutzung durch hohe Leistungs- zahl. Nutzung von Raum- oder Außenluft durch automatische Abtauung des Verdampfers möglich. Warmwassertemperatur über Wärmepumpenbetrieb bis 65 C, mit Elek- tro-Heizelement bis 75 C. Stutzen (2 x DN160) oben angeordnet für den optionalen Anschluss eines Rohrkanalsystems. Regelung mit Display, Zeit- programm, PV-Funktion zur optimierten Eigenstromnutzung und thermischer Desinfektion. Speicher in stehender, zylindrischer Stahlblechausführung mit höhenverstell- baren Aufstellfüßen. Alle warmwasserberührten Speicherinnenflächen mit Thermoglasur, korrosionsbeständig nach DIN 4753-3 und zur Vervollständigung des kathodischen Korrosionsschutzes mit Magnesiumanode. Wärmeschutz aus 50 mm Polyurethan-Hartschaum, werkseitig ge- schäumt, mit abnehmbaren Kunststoffmantel (weiß). Technische Eigenschaften: Heizleistung: 1,5 kW Leistungszahl (nach EN 16147 Aufheizung von 10 auf 55 C, 14 C Luft): 3,5 Einsatzgrenzen Lufttemp.: -10 bis +43 C Elektrischer Anschluss: 230 V/50 Hz Speicherinhalt: 202 l Durchmesser: 630 mm Höhe: 1720 mm Gewicht: 105 kg Elektro-Heizelement: 1,5 kW Max. Betriebstemperatur Speicher warmwasserseitig: 80 C Max. Betriebsüberdruck Speicher warmwasserseitig: 8 bar Fabrikat: BUDERUS Buderus-Artikel-Nr.: 7738340433  ANGABEN IN BEZUG AUF EU F-GAS VERORDNUNG 517/2014 Umwelttechnischer Hin- weis: Enthält fluorierte Treibhausgase Kältemitteltyp: R513A Treibhauspotential - GWP: 631 kgCO2eq Füllmenge Kältemittel: 1,1 kg Füllmenge Kältemittel: 0,693 tCO2eq Bauart des Kältekreises: hermetisch geschlossen EU-RICHTLINIE FÜR ENERGIEEFFIZIENZ Klasse fÜr die Warmwasserbereitungs- Energieeffizienz: A+ Energieeffizienzklassen-Spektrum: A+ -> F Warmwasserbereitungs-Energieeffizienz: 120 % Jährlicher Stromverbrauch bei durchschnittlichen Klimaverhältnissen: 822 kWh Schallleistungspegel in Innenräumen: 56 dB Schallleistungspegel im Freien: 63 dB Lastprofil: L   Lieferumfang:/h3> BBuderus Warmwasser Wärmepumpe Logatherm WPT200.4 A Aufstellfüße/li> Betriebs- und Montageanleitung Installation: Die Montage (Gas/Wasser) sowie die Erstinbetriebnahme und Wartung dieses Gerätes dürfen nur von einem SHK-Anlagenmechaniker in Übereinstimmung mit den gültigen Vorschriften, den anerkannten Regeln der Technik sowie entsprechend dieser Anweisung ausgeführt werden!  

2.186,03 €*
a+
a+ f
Datenblatt

Art.Nr.: 135305033

ca. 1-2 Werktage (Mo-Fr.)

Viessmann Warmwasser Wärmepumpe Vitocal 060-A T0E-R290 Umluft 178l Z028426
Viessmann Warmwasserwärmepumpe Vitocal 060-A, T0E-R290 Umluft 178l Herstellerteilenummer: Z028426 Beschreibung: Hohe Leistungswerte im Außenluft- und Umluftbetrieb Einfache Inbetriebnahme durch vormontierte Einheit und voreingestellte Regelung Umweltfreundliches, natürliches Kältemittel R290 Erwärmung des Trinkwassers auf 62 °C über Wärmepumpenmodul bei Lufttemperaturen über -5 °C Schnellaufheizungsfunktion mit Elektro-Heizeinsatz (Lieferumfang bei Typ T0E/T0E180-R290, Zubehör bei Typ T0S-R290) Smart-Grid-fähig - geeignet zur Nutzung des selbsterzeugten Stroms von Photovoltaikanlagen Bedienung, Optimierung, Wartung und Service über ViCare App und ViGuide. Geführte Inbetriebnahme über ViGuide Austattung: Senkrecht stehende Warmwasser-Wärmepumpe zur Innenaufstellung Mit im Gerät integriertem Kommunikationsmodul Fernbedienung und Monitoring des Geräts über Smartphone mit der ViCare App in Verbindung mit integrierter Internetschnittstelle Für den Umluft-, Außenluftbetrieb (Mindestraumvolumen bei Umluftbetrieb 20 m³). Bestehend aus Luft/Wasser-Wärmepumpen Modul, Speicher-Wassererwärmer und integrierter Regelung mit Touch-Display (Vitodens 100 Typ). Durch außen um die Speicher-Wandung geführte Sicherheitswärmetauscher (Verflüssiger) hermetische Trennung von Trinkwasser- und Kältemittelkreislauf Speicher-Wassererwärmer aus Stahl mit Ceraprotect-Emaillierung und zusätzlichem kathodischen Schutz durch Magnesium-Schutzanode SG Ready und Eigenstromnutzung in Verbindung mit Photovoltaikanlage Wahl des benötigten Zapfprofils (XL/L) durch Hysteresis Einstellung Aufheizung des Speicher-Wassererwärmers über das Wärmepumpenmodul bis 65 °C zur erhöhten Trinkwasserhygiene bei effizientem Betrieb. Anschlussfertig verdrahtet Für Außenluftbetrieb einsetzbar mit entsprechenden Außenluftadaptern (DN 160, Zubehör). Mit bedarfsabhängiger Regelung der Wärmepumpe und getrennt einstellbaren Zeitprogrammen für Trinkwassererwärmung und Zirkulation Technische Daten: Speicher Inhalt 178 l Farbe Vitopearlwhite Kältekreis: Kältemittel R290 Füllmenge 130 g Treibhauspotenzial (GWP) 0,02 CO2-Äquivalent 0,0026 kg Länge 661 mm Breite 584 mm Höhe 1559 mm Gewicht 95 kg Nennspannung 1/N/PE 230 V/50 Hz Zapfprofil L Leistungszahl (COPDHW) 3,55 Aufheizzeit 5:13 h:min Bereitschaftsverlust (Pes) 21 W Max. nutzbare Wassermenge 40 °C 235 l Max. Luftvolumenstrom Geschwindigkeit 1 (langsam) 250 m³/h Geschwindigkeit 2 (schnell) 320 m³/h Min. Lufteintrittstemperatur -5 °C Max. Lufteintrittstemperatur 35 °C Anschluss Kondeswasserablauf 20 mm Max. zul. Betriebsdruck Trinkwasser 10 bar Max. zul. Trinkwassertemperatur 65 °C Max. erreichbare Trinkwassertemperatur in Verbindung mit einer Photovoltaikanlage 65 °C Anschlüsse: Trinkwasser warm, kalt R 3/4 Trinkwasser Zirkulation R 3/4 Max. Schall-Leistungspegel innen nach EN 12102 58 dB(A) Lieferumfang: Viessmann Warmwasserwärmepumpe Vitocal 060-A, T0E-R290 Umluft 178l Kondensatwasserschlauch Elektro-Heizeinsatz (Lieferumfang bei Typ T0E/T0E180-R290 Montage- und Betriebsanleitung

2.238,36 €*
a+
a+ f
Datenblatt

Art.Nr.: 180706366

ca. 2-4 Werktage (Mo-Fr.)

Viessmann Warmwasser Wärmepumpe Vitocal 060-A T0E-R290 Außen 178l Z028427
Viessmann Warmwasserwärmepumpe Vitocal 060-A, T0E-R290 Außen 178l Herstellerteilenummer: Z028427 Beschreibung: Hohe Leistungswerte im Außenluft- und Umluftbetrieb Einfache Inbetriebnahme durch vormontierte Einheit und voreingestellte Regelung Umweltfreundliches, natürliches Kältemittel R290 Erwärmung des Trinkwassers auf 62 °C über Wärmepumpenmodul bei Lufttemperaturen über -5 °C Schnellaufheizungsfunktion mit Elektro-Heizeinsatz (Lieferumfang bei Typ T0E/T0E180-R290, Zubehör bei Typ T0S-R290) Smart-Grid-fähig - geeignet zur Nutzung des selbsterzeugten Stroms von Photovoltaikanlagen Bedienung, Optimierung, Wartung und Service über ViCare App und ViGuide. Geführte Inbetriebnahme über ViGuide Austattung: Senkrecht stehende Warmwasser-Wärmepumpe zur Innenaufstellung Mit im Gerät integriertem Kommunikationsmodul Fernbedienung und Monitoring des Geräts über Smartphone mit der ViCare App in Verbindung mit integrierter Internetschnittstelle Für den Umluft-, Außenluftbetrieb (Mindestraumvolumen bei Umluftbetrieb 20 m³). Bestehend aus Luft/Wasser-Wärmepumpen Modul, Speicher-Wassererwärmer und integrierter Regelung mit Touch-Display (Vitodens 100 Typ). Durch außen um die Speicher-Wandung geführte Sicherheitswärmetauscher (Verflüssiger) hermetische Trennung von Trinkwasser- und Kältemittelkreislauf Speicher-Wassererwärmer aus Stahl mit Ceraprotect-Emaillierung und zusätzlichem kathodischen Schutz durch Magnesium-Schutzanode SG Ready und Eigenstromnutzung in Verbindung mit Photovoltaikanlage Wahl des benötigten Zapfprofils (XL/L) durch Hysteresis Einstellung Aufheizung des Speicher-Wassererwärmers über das Wärmepumpenmodul bis 65 °C zur erhöhten Trinkwasserhygiene bei effizientem Betrieb. Anschlussfertig verdrahtet Für Außenluftbetrieb einsetzbar mit entsprechenden Außenluftadaptern (DN 160, Zubehör). Mit bedarfsabhängiger Regelung der Wärmepumpe und getrennt einstellbaren Zeitprogrammen für Trinkwassererwärmung und Zirkulation Technische Daten: Speicher Inhalt 178 l Farbe Vitopearlwhite Kältekreis: Kältemittel R290 Füllmenge 130 g Treibhauspotenzial (GWP) 0,02 CO2-Äquivalent 0,0026 kg Länge 661 mm Breite 584 mm Höhe 1559 mm Gewicht 95 kg Nennspannung 1/N/PE 230 V/50 Hz Zapfprofil L Leistungszahl (COPDHW) 3,55 Aufheizzeit 5:13 h:min Bereitschaftsverlust (Pes) 21 W Max. nutzbare Wassermenge 40 °C 235 l Max. Luftvolumenstrom Geschwindigkeit 1 (langsam) 250 m³/h Geschwindigkeit 2 (schnell) 320 m³/h Min. Lufteintrittstemperatur -5 °C Max. Lufteintrittstemperatur 35 °C Anschluss Kondeswasserablauf 20 mm Max. zul. Betriebsdruck Trinkwasser 10 bar Max. zul. Trinkwassertemperatur 65 °C Max. erreichbare Trinkwassertemperatur in Verbindung mit einer Photovoltaikanlage 65 °C Anschlüsse: Trinkwasser warm, kalt R 3/4 Trinkwasser Zirkulation R 3/4 Max. Schall-Leistungspegel innen nach EN 12102 58 dB(A) Lieferumfang: Viessmann Warmwasserwärmepumpe Vitocal 060-A, T0E-R290 Außen 178l Kondensatwasserschlauch Elektro-Heizeinsatz (Lieferumfang bei Typ T0E/T0E180-R290 Montage- und Betriebsanleitung

2.283,82 €*
a+
a+ f
Datenblatt

Art.Nr.: 180706477

ca. 1 Woche

Dimplex Warmwasser Wärmepumpe DHW 100PWH mit R290 382550 Wandmontage
Dimplex Warmwasser-Wärmepumpe DDHW100PWH R290 mit natürlichem Kältemittel Herstellerteilenummer: 382550 Beschreibung: Wandhängende Warmwasser-Wärmepumpe 100 l mit natürlichem Kältemittel R290 und Abtaufunktion zur Nutzung von Außen- und Raumluft. Aufstellung frostfrei im Innenbereich von Gebäuden. Hochwertige Speicherdämmung zur Minimierung der Stillstandsverluste, Energieeffizienzklasse A (Zapfzyklus M). Ideal geeignet für die Warmwasserbereitung im Gebäudebestand durch einfach Installation. Die Bedienung und Einstellung erfolgt über Drehregler und Einstelltasten. Einstellung verschiedener Betriebsarten, z.B. Turbo-Funktion, PV-Funktion, Zeitprogramme möglich. Visualisierung der Einstellungen auf dem Display. Max. erreichbare Temperatur von 55 Grad Celsius C im reinen Wärmepumpenbetrieb (Einstellbereich 30 - 65 Grad Celsius) mit der Möglichkeit mittels eingebautem Zusatzheizstab (1,0 kW) die Warmwassertemperatur auf 65 Grad Celsius zu erhöhen. Die Aufstellung kann in Räumen mit geringer Raumhöhe (2,0 m) erfolgen. Maximale Rohrlänge für Luftansaug und Luftausblas 5 m (Luftansaugung 125 mm / Luftausblas 80 mm). Luftansaugung innerhalb von Gebäuden ohne Luftkanäle möglich, Rohrkanal optional anschließbar, um Abluft bzw. Abwärme aus angrenzenden Räumen zu nutzen. Speicher emailliert mit Korrosionschutzanode, Kippmaß 1.350 mm. Mischwassermenge von 40 Grad Celsius bei 60 Grad Celsius Speichertemperatur 142 l. PV-Nutzung für Wärmepumpe und Heizstab möglich. Wandhängende Warmwasser-Wärmepumpe inklusive Wandhalterung. Technische Daten: Abtauung automatisch Aufheizzeit 10 °C bis 65 °C 6.48 COP nach EN 16147 2.38 Elektrischer Energieverbrauch Qelec nach EN 16147 2.45 Nennweite Anschlussstutzen 160 Zapfprofil Warmwasser M Anschluss-Spannung 1/N/PE ~230 V, 50 Hz Schalldruckpegel in 1 m (innen) (dB) 36 Temperatureinstellung Regler 30-65 Energieeffizienzklasse Warmwasser / ηS A / 99 % Lieferumfang: Dimplex Warmwasser-Wärmepumpe DDHW100PWH R290 mit natürlichem Kältemittel Betriebs- und Montageanleitung Installation: Die Montage (Gas/Wasser) sowie die Erstinbetriebnahme und die Wartung dieses Gerätes dürfen nur von einem SHK-Anlagenmechaniker in Übereinstimmung mit den gültigen Vorschriften sowie entsprechend dieser Anweisung ausgeführt werden! Eine Erstinbetriebnahme durch den Werkskundendienst kann über uns bezogen werden, wir helfen Ihnen gerne weiter.

2.292,00 €*

Art.Nr.: 183464698

ca. 1 Woche

Buderus Logatherm WPT200.4 AS Warmwasser Wärmepumpe 7738340433
Buderus Warmwasser Wärmepumpe Logatherm WPT200.4 AS - mit Wärmetauscher Herstellerteilenummer: 7738340433 Beschreibung: Wärmepumpe Logatherm WPT 200.4 AS für die Warmwasserbereitung, mit effizienter Stromnutzung durch hohe Leistungs- zahl. Nutzung von Raum- oder Außenluft durch automatische Abtauung des Verdampfers möglich. Warmwassertemperatur über Wärmepumpenbetrieb bis 65 C, mit Elektro-Heizelement bis 75 C. Stutzen (2 x DN160) oben angeordnet für den optionalen Anschluss eines Rohrkanalsystems. Regelung mit Display, Zeit- programm, PV-Funktion zur optimierten Eigenstromnutzung und thermischer Desinfektion. Speicher in stehender, zylindrischer Stahlblechausführung mit höhenverstell- baren Aufstellfüßen. Mit eingeschweißtem Glattrohrwärmetauscher zum Anschluss einer Solaranlage oder eines Kessels. Alle warmwasserberührten Speicherinnen- flächen mit Thermoglasur, korrosions- beständig nach DIN 4753-3 und zur Vervollständigung des kathodischen Korrosionsschutzes mit Magnesiumanode. Wärmeschutz aus 50 mm Polyurethan-Hartschaum, werkseitig geschäumt, mit abnehmbaren Kunststoffmantel (weiß).  Technische Eigenschaften: Heizleistung: 1,5 kW Leistungszahl (nach EN 16147 Aufheizung von 10 auf 55 C, 14 C Luft): 3,5 Einsatzgrenzen Lufttemp.: -10 bis +43 C Elektrischer Anschluss: 230 V/50 Hz Speicherinhalt: 194 l Durchmesser: 630 mm Höhe: 1720 mm Gewicht: 121 kg Wärmetauscherfläche: 1,0 m2 Elektro-Heizelement: 1,5 kW Max. Betriebstemperatur Speicher warmwasserseitig: 80 C Max. Betriebsüberdruck Speicher warmwasserseitig: 8 bar Fabrikat: BUDERUS Buderus-Artikel-Nr.: 7738340433  ANGABEN IN BEZUG AUF EU F-GAS VERORDNUNG 517/2014 Umwelttechnischer Hin- weis: Enthält fluorierte Treibhausgase Kältemitteltyp: R513A Treibhauspotential - GWP: 631 kgCO2eq Füllmenge Kältemittel: 1,1 kg Füllmenge Kältemittel: 0,693 tCO2eq Bauart des Kältekreises: hermetisch geschlossen EU-RICHTLINIE FÜR ENERGIEEFFIZIENZ Klasse fÜr die Warmwasserbereitungs- Energieeffizienz: A+ Energieeffizienzklassen-Spektrum: A+ -> F Warmwasserbereitungs-Energieeffizienz: 120 % Jährlicher Stromverbrauch bei durchschnittlichen Klimaverhältnissen: 822 kWh Schallleistungspegel in Innenräumen: 56 dB Schallleistungspegel im Freien: 63 dB Lastprofil: L   Lieferumfang: Buderus Warmwasser Wärmepumpe Logatherm WPT200.4 AS Aufstellfüße Betriebs- und Montageanleitung Installation: Die Montage (Gas/Wasser) sowie die Erstinbetriebnahme und Wartung dieses Gerätes dürfen nur von einem SHK-Anlagenmechaniker in Übereinstimmung mit den gültigen Vorschriften, den anerkannten Regeln der Technik sowie entsprechend dieser Anweisung ausgeführt werden!  

2.316,93 €*
a+
a+ f
Datenblatt

Art.Nr.: 135304869

ca. 1-2 Werktage (Mo-Fr.)

Buderus Logatherm WPT260.4 A Warmwasser Wärmepumpe 7738340434
Buderus Warmwasser Wärmepumpe Logatherm WPT260.4 A - ohne Wärmetauscher Herstellerteilenummer: 7738340434 Beschreibung: Wärmepumpe Logatherm WPT 260.4 A für die Warmwasserbereitung, mit effizienter Stromnutzung durch hohe Leistungs- zahl. Nutzung von Raum- oder Außenluft durch automatische Abtauung des Verdampfers möglich. Warmwassertemperatur über Wärmepumpenbetrieb bis 65 C, mit Elektro-Heizelement bis 75 C. Stutzen (2 x DN160) oben angeordnet für den optionalen Anschluss eines Rohrkanalsystems. Regelung mit Display, Zeit- programm, PV-Funktion zur optimierten Eigenstromnutzung und thermischer Desinfektion. Speicher in stehender, zylindrischer Stahlblechausführung mit höhenverstellbaren Aufstellfüßen. Alle warmwasserberührten Speicherinnenflächen mit Thermoglasur, korrosionsbeständig nach DIN 4753-3 und zur Vervollständigung des kathodischen Korrosionsschutzes mit Magnesiumanode. Wärmeschutz aus 50 mm Polyurethan-Hartschaum, werkseitig geschäumt, mit abnehmbaren Kunststoffmantel (weiß) Technische Eigenschaften: Heizleistung: 1,5 kW Leistungszahl (nach EN 16147 Aufheizung von 10 auf 55 C, 14 C Luft): 3,6 Einsatzgrenzen Lufttemp.: -10 bis +43 C Elektrischer Anschluss: 230 V/50 Hz Speicherinhalt: 260 l Durchmesser: 630 mm Höhe: 2010 mm Gewicht: 110 kg Elektro-Heizelement: 1,5 kW Max. Betriebstemperatur Speicher warmwasserseitig: 80 C Max. Betriebsüberdruck Speicher warmwasserseitig: 8 bar Fabrikat: BUDERUS Buderus-Artikel-Nr.: 7738340435  ANGABEN IN BEZUG AUF EU F-GAS VERORDNUNG 517/2014 Umwelttechnischer Hin- weis: Enthält fluorierte Treibhausgase Kältemitteltyp: R513A Treibhauspotential - GWP: 631 kgCO2eq Füllmenge Kältemittel: 1,1 kg Füllmenge Kältemittel: 0,693 tCO2eq Bauart des Kältekreises: hermetisch geschlossen EU-RICHTLINIE FÜR ENERGIEEFFIZIENZ Klasse fÜr die Warmwasserbereitungs- Energieeffizienz: A+ Energieeffizienzklassen-Spektrum: A+ -> F Warmwasserbereitungs-Energieeffizienz: 134 % Jährlicher Stromverbrauch bei durchschnittlichen Klimaverhältnissen: 1250 kWh Schallleistungspegel in Innenräumen: 56 dB Schallleistungspegel im Freien: 63 dB Lastprofil: XL Lieferumfang: Buderus Warmwasser Wärmepumpe Logatherm WPT260.4 A Aufstellfüße Betriebs- und Montageanleitung Installation: Die Montage (Gas/Wasser) sowie die Erstinbetriebnahme und Wartung dieses Gerätes dürfen nur von einem SHK-Anlagenmechaniker in Übereinstimmung mit den gültigen Vorschriften, den anerkannten Regeln der Technik sowie entsprechend dieser Anweisung ausgeführt werden!

2.316,93 €*
a+
a+ f
Datenblatt

Art.Nr.: 130820965

ca. 1-2 Werktage (Mo-Fr.)

OCHSNER Europa Mini IWPL Warmwasser-Wärmepumpe Trinkwasserwärmepumpe Abluft
OCSHNER Europa Mini IWPL - Warmwasser-Wärmepumpen Splitgerät für externen Speicher bis 500 l, Wärmequelle Luft/Abluft Herstellernummer: 110244 Beschreibung: Wärmepumpen machen sich die Wärme der Natur aus verschiedenen Quellen wie Luft, Erde oder Grundwasser zunutze, um Heizenergie für das Zuhause zu erzeugen. Doch es gibt auch Wärmepumpen-Systeme, die unabhängig von der eigentlichen Heizung die Warmwasserversorgung sicherstellen. In diesem Beitrag lesen Sie, wie Warmwasser-Wärmepumpen arbeiten und welche Vorteile sie bieten. Für eine effiziente und von der Heizung getrennte Warmwasserbereitung empfiehlt Ihnen OCHSNER die Brauchwasser-Wärmepumpen der Baureihe EUROPA. Auch als ideale Ergänzung zu Heizkesseln, anstelle von Solarthermie-Anlagen. Exklusiv bei OCHSNER sind Warmwasser-Wärmepumpen wahlweise als Splitgeräte - für externe Speicher bis zu 500 Liter (Großhaushalte, Gewerbe) erhältlich - oder als Kompaktgeräte mit integriertem 300- bzw. 250-Liter-Warmwasserspeicher. Vorteile der Warmwasser-Wärmepumpen: hocheffizient und langlebig umweltschonende Warmwasserbereitung mit Luft/Abluft oder Erdwärme als Wärmequelle ehpa-Gütesiegel sehr ruhiger Lauf Rasche Aufstellung, schnelle Installation.Einstecken - einschalten - fertig! intelligente Steuertechnik mit einfachster Bedienung und Touch Display Bis zu 65°C warmes Wasser. Eine Brauchwasser-Temperatur von bis zu 65°C im Wärmepumpenbetrieb bietet Ihnen bei Bedarf mehr verfügbares Warmwasser. Für einen fallweise erhöhten Warmwasser-Bedarf sind in den Speichern der Kompaktgeräte E-Heizstäbe serienmäßig integriert. Zusatzfunktionen wie z.B. Kühl-, Trocken- und Lüftungsfunktion Kombination mit Solar oder Photovoltaik möglich Ideal bei der Sanierung als Ergänzung zu bestehenden Öl-, Gas- oder Biomassekesseln Technische Daten: Höhe 426 mm Durchmesser 650 mm Gewicht 45 kg Energieeffizienzklasse A Lastprofil L Warmwasserbereitungseffizienz [ETHA wh] 115 % Warmwassertemperatur Wärmepumpe max. 60 °C Einsatzgrenze Wärmequelle für Wärmepumpenbetrieb - min. +6 °C - max. +40 °C Schalldruckpegel in 1m Abstand Freifeld 49 dB(A) SG-Ready ja max. nutzbare Warmwassermenge nach EN 16147 288 l COP nach EN 16147 3,38 Aufnahmeleistung Elektroheizstab bis max 2500 W Netzanschluss 1/230/50 Ph/V/Hz Wärmetauscherfläche Glattrohrregister Arbeitsmittel R134a Splitgerät für externen Speicher bis 500 l für Haushalte bis 5 Personen Wassertemperatur bis 60° C steckerfertig einfache Montage geringer Platzbedarf Luftführung DN150 bis 20 m möglich innenliegender Wärmetauscher Speicherladung über integrierte Umwälzpumpe Legionellenbehandlung mit der Wärmepumpe auch als Paketlösung mit 300 l- oder 500 l-Speicher bzw. Twin- Lösung mit 750 l erhältlich Beschreibung Regelung Tiptronic light: 3-stellige 7- Segmentanzeige für die Darstellung von Istwerten, Sollwerten sowie Parameter Bedienung über 5 Tasten Hochdruckpressostat sowie Frostschutzfühler, Warmwassertemperatur (5 - 60°C) sowie thermische Desinfektion einstellbar Standschutz für Ladepumpe, Regelfühler und Tauchhülse für Warmwasserspeicher inkludiert Betriebsart von Wärmepumpe einstellbar. Lieferumfang: OCHSNER Europa Mini IWPL - Warmwasser-Wärmepumpen Splitgerät Wandkosnsole Betriebs- und  Montageanleitung   Installation: Die Montage (Gas/Wasser) sowie die Erstinbetriebnahme und Wartung dieses Gerätes dürfen nur von einem SHK-Anlagenmechaniker in Übereinstimmung mit den gültigen Vorschriften, den anerkannten Regeln der Technik sowie entsprechend dieser Anweisung ausgeführt werden!

2.401,80 €*

Art.Nr.: 162082409

ca. 2-3 Wochen